當前位置: 主頁 > 技術&應用 >
 

ADALM2000實驗:Clapp振盪器

本文作者:Antoniu Miclaus       點擊: 2026-02-14 22:13
前言:
目標
振盪器有多種形式。在本次實驗活動中,我們將探討Clapp配置,該配置使用抽頭電容分壓器和串聯LC諧振器來提供回饋路徑。
 
背景
Clapp振盪器實際上是Colpitts振盪器的串聯調諧版本。Clapp振盪器與Colpitts振盪器非常相似,用電容分壓器產生回饋訊號。在電感L1串聯加入電容C3是兩種設計之間的區別,使Clapp振盪器與Colpitts和Hartley配置區分開來。與所有振盪器一樣,必須遵循Barkhausen準則,要求總增益為1,從輸入到輸出的相移為0°。振盪頻率可以像計算任何諧振電路一樣,透過使用公式1得出。 
忽略基極和集電極之間的電晶體電容效應,諧振頻率可以使用公式2提供的總等效電容(CTOT)計算。 
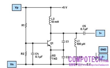
圖1顯示了一個典型的Clapp振盪器。由L1和 CTOT 形成的頻率確定的串聯諧振調諧電路用於共基極放大器Q1的集電極負載阻抗。大電感L2為集電極電流提供直流路徑,同時在諧振頻率下呈現高阻抗。這使得放大器僅在諧振頻率下具有高增益。這種配置使用共基極放大器。Q1的基極透過電阻分壓器R1和R2偏置到適當的直流位準,但透過C4直接連接到交流地。在共基極模式下,集電極輸出電壓波形和發射極輸入訊號同相。這可確保從C1和C2之間節點輸出訊號的一部分,透過調諧的集電極負載回饋到發射極,進而提供所需的正回饋。
 
圖1. 基本Clapp振盪器
 
C1和C2的組合還與發射極電阻R3形成低頻時間常數,以提供與Q1發射極處回饋訊號幅度成比例的平均直流電壓位準。這為放大器提供了振盪器所需的閉迴路增益1的自動增益控制。發射極電阻R3未去耦,因為發射極節點用於共基極放大器的輸入。基極透過C4連接到交流地,這將在振盪器頻率下提供非常低的電抗。
 
實驗前模擬
首先建構如圖1所示的Clapp振盪器模擬原理圖。可計算偏置電阻R1和R2的值,使得當發射極電阻R3設定為500 Ω時,NPN電晶體Q1的集電極電流約為1 mA。假設電路由10 V電源供電,接著確保R1和R2的總和(總電阻大於10 kΩ)盡可能高,以使電阻分壓器中的靜態電流盡可能低。記住,C4在Q1的基極處提供交流地。將基極去耦電容C4和輸出交流耦合電容C5設定為0.1 µF。計算L1的值,使得當C1設定為1 nF且C2設定為1 nF時,諧振頻率接近750 kHz。使用至少10 mH的高值L3。進行瞬態模擬。保存這些結果,以便與實際電路測量結果進行比較,並將其包含在實驗報告中。
 
材料
ADALM2000活動學習模組
無焊麵包板和跳線套件
一個2N3904 NPN電晶體
一個1 µH電感
一個10 µH電感
一個100 µH電感
一個10 mH電感(L3)
一個1 nF電容(C1)
一個4.7 nF電容(C2)
兩個0.1 µF電容(標記為104)
一個470 Ω電阻(R3)
其他所需的電阻、電容和電感
 
指導
使用無焊麵包板建構如圖2所示的Clapp振盪器。從使用者的零件套件中選擇標準值的偏置電阻R1和R2,使得當發射極電阻R3設定為470 Ω時,NPN電晶體Q1的集電極電流約為1 mA。從C1 = 1 nF和C2 = 4.7 nF開始。振盪器的頻率可以根據C1、C2、C3和L1的選擇值在大約500 kHz到2 MHz之間變化。計算C3的值,並從零件套件中選擇最接近的值。此振盪器電路可以產生超過10 V p-p的正弦波輸出,頻率由L1的選擇值決定。
 
圖2. Clapp振盪器
 
硬體設定
請參見圖3的麵包板電路圖。
 
 圖3. Clapp振盪器麵包板電路
 
方框表示連接ADALM2000模組的任意波形產生器(AWG)、示波器通道和電源的位置。確保在檢查完接線後才打開電源。
 
操作步驟
完成Clapp振盪器的構建後,確保電路正確振盪。打開+5 V和-5 V電源,並將示波器的一個通道連接到輸出端。R3的值可能比較關鍵,可能會產生大的失真波形或間歇性的低輸出或無輸出。為了找到R3的最佳值,可以使用1 kΩ電位器進行實驗,找到能產生最佳波形和可靠幅度的電阻值。
 
圖4顯示了一個使用R1 = 10 kΩ、R2 = 1 kΩ、R3 = 100 Ω、L1 = 100 µH、L2 = 10 µH、C1 = 1 nF、C2 = 4.7 nF、C3 = 10 nF的Clapp振盪器波形圖。
 
圖4. Clapp振盪器波形圖
 
問題
1. Clapp振盪器的主要功能是什麼?
2. Clapp振盪器是哪種振盪器的變體?
3. 在Clapp振盪器中增加了哪個元件使其與Colpitts振盪器區分開來?
4. 在什麼情況下,會優先選擇Clapp振盪器而不是Colpitts振盪器?
 
答案請參閱學子專區部落格。
 

 

電子郵件:look@compotechasia.com

聯繫電話:886-2-27201789       分機請撥:11