當前位置: 主頁 > 技術&應用 >
 

更高效馬達驅動之基本挑戰及解決方案

本文作者:Richard Chung 、Roy       點擊: 2015-08-13 13:23
前言:
 
汽車與工業/消費電子馬達行業之間具有類似的需求及挑戰。為了減少CO2的排放率,這兩個行業都在尋求替代能源,創建能夠減少傳統能耗的更高效系統。變頻器驅動的馬達將數十年、久經考驗的可靠馬達設計推向需要支援半導體元件及更複雜控制的解決方案。滿足這些需要及挑戰就能夠滿足環保、法規及客戶需要。
 

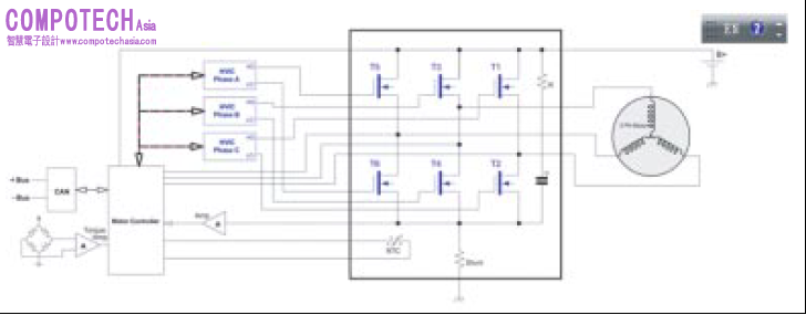
圖說:電子式動力輔助轉向( 車輛電氣化的一個實例)

 

電子郵件:look@compotechasia.com

聯繫電話:886-2-27201789       分機請撥:11