當前位置: 主頁 > 技術&應用 >
 

ADALM2000實驗:Peltz振盪器

本文作者:Antoniu Miclaus       點擊: 2025-08-28 09:50
前言:
作者:ADI 系統應用工程師 Antoniu Miclaus
目標
本次實驗目的為研究Peltz振盪器配置的特性。

背景知識
不同於採用單一電晶體的Clapp、Colpitts和Hartley振盪器,Peltz的配置是使用兩個電晶體。請觀察圖1,注意電晶體Q1配置為共基極放大器級。由L1和C1組成的諧振電路提供集電極負載。集電極的輸出饋送到電晶體Q2的基極。Q2配置為射極跟隨器(共集電極)級。當射極跟隨器(Q2發射極)的輸出連接回Q1發射極處的共基極級輸入時,形成振盪所需的正回饋。共基極放大器級的電壓增益在LC諧振電路的並聯諧振頻率處達到最大值,此時其阻抗接近無窮大。射極跟隨器的增益總是略小於1。迴路周圍的組合增益在諧振時將遠大於1,以維持振盪。
 
圖1.Peltz振盪器基本配置

LC諧振電路的諧振頻率由公式1得出。
 
在此振盪器配置中,LC諧振電路的峰對峰值擺幅很有限。當Q2的基極電壓正向擺動至高於地電位時,Q2的集電極(集電極基極結)將正向偏置。這會將最大正擺幅限制在大約一個二極體正向壓降的範圍內。峰值負擺幅也是此種情況,此時Q1的集電極負向擺動夠大,以使Q1的集電極基極結正向偏置。當BJT電晶體的集電極基極結正向偏置時,基極電流急劇增大。我們可以利用該增大的基極電流來提高LC諧振電路的峰對峰值擺幅。如果在Q1和Q2的基極插入串聯電阻,如圖2所示,在LC諧振回路電壓達到極限時,流經電阻的新增電流會降低Q1和Q2的基極電壓。
 
圖2.提高輸出擺幅
 
實驗前模擬
建構圖1和圖2所示Peltz振盪器的模擬原理圖。計算偏置電阻R1的值,使得電晶體Q1和Q2中的集電極電流均大於200 µA。假設電路採用-5 V電源供電。計算C1和L1的值,使得諧振頻率至少為1 MHz。執行瞬態模擬。LC諧振電路的峰對峰值輸出擺幅應限制在±1個二極體正向壓降(~±0.6 V)以內。計算並模擬R2 = R3時的阻值,使得輸出擺幅提高到至少±1.25 V。保存這些結果以與實際電路的測量結果進行比較,並記錄在實驗報告中。
 
材料
ADALM2000主動學習模組
無焊試驗板
跳線
兩個小訊號NPN電晶體(2N3904)
一個10 kΩ電阻
兩個4.7 kΩ電阻
一個100 µH電感
一個100 pF電容

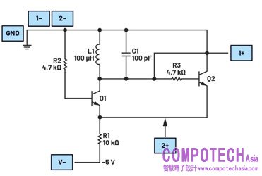
說明
在無焊試驗板上建構圖3所示的Peltz振盪器電路。方塊表示連接ADALM2000模組示波器通道和電源的位置。務必反覆檢查接線之後,再打開電源。
 
圖3.Peltz振盪器電路
 
硬體設定
將兩個示波器輸入均設定為200 mV/div,並將時間基準設定為1 µs/div。將觸發訊號設定為通道1的升緣。參見圖4所示的試驗板電路。
 
圖4.Peltz振盪器電路試驗板連接
 
程式步驟
接通-5 V電源。觀察示波器通道1上LC諧振電路的輸出波形。也可以使用示波器通道2在Q1和Q2的發射極處觀察到波形。
 
圖5.Peltz振盪器電路波形圖
 
問題
1. Peltz振盪器的主要功能是什麼?
2. Peltz振盪器是哪種振盪器的變體?
3. 什麼樣的元件配置會使Peltz振盪器有別於Colpitts和Clapp振盪器?
4. 什麼情況下,Peltz振盪器會優於Colpitts或Clapp等其他LC振盪器?
 
答案請參閱學子專區部落格。
 

 

電子郵件:look@compotechasia.com

聯繫電話:886-2-27201789       分機請撥:11