當前位置: 主頁 > 技術&應用 >
 

ADALM2000實驗:FM檢波器

本文作者:Antoniu Miclaus       點擊: 2025-03-26 11:33
前言:
作者:ADI 系統應用工程師 Antoniu Miclaus
目標
本實驗活動的目標是瞭解FM解調的基本原理,以及用於從接收到的FM訊號中檢測資訊的不同電路。
 
背景知識
為了實現有效通訊,發送方和接收方所使用的通道必須達成一致。發送方會對消息進行編碼,並將其傳輸給接收方。接收方隨後接收消息,並進行解碼操作。此過程與FM通訊類似:接收所發射的FM訊號後,必須經過解調才能獲取資訊。 
圖1. FM解調檢測
 
FM檢波器也被稱為頻率解調器或鑒頻器,其為一種能夠將載波訊號的頻率變化即時轉換為相應的輸出電壓變化的電路,FM檢波器的轉換函數是非線性的。然而,在線性範圍內工作時,該函數為:
 

其中:
  VOUT =輸出電壓(資訊),V
  fINPUT =輸入FM訊號,Hz
  Kd =轉換函數,V/Hz
 
電路輸入是幅度恆定的頻率變化訊號。電路將這些暫態頻率變化轉換為幅度變化,如此輸出中的每個電壓水準都與輸入中的暫態頻率變化相對應。因此,FM解調器轉換函數的單位是伏特/赫茲(V/Hz)。
 
FM 與AM一樣,也有調變指數,其等於頻率偏差與調變頻率之比。頻率偏差是調變訊號產生的載波頻率變化量或擺動量。FM的調變指數定義為:
 

其中:
➤  Delta f = 頻率偏差
➤  fm =調變頻率
與AM類似,FM的調變指數m是對峰值頻率偏差的度量,此種方法可以將峰值偏差頻率表示為最大調變頻率的倍數。圖2進一步說明了這一點。
 
圖2. 採樣FM訊號
 
載波訊號頻率為1 kHz,調變頻率為100 Hz,調變指數為3。由調變指數可以得出,峰值頻率偏差為300 Hz,頻率將在700 Hz和1300 Hz之間擺動。或者說,調變頻率的作用是確定該週期完成的速度。
 
FM解調器有多種類型,包括:
1. 斜率檢波器
2. Foster-Seeley鑒頻器
3. 比率檢波器
4. 脈衝平均鑒頻器
5. 正交檢波器
6. 鎖相迴路
 
為簡單起見,我們將深入研究斜率檢波器,瞭解FM解調器的基本功能。
 
斜率檢波器
斜率檢波器(也稱為單端斜率檢波器)是最簡單的FM解調器。其是一種調諧電路頻率解調器,使用調諧(LC)電路將FM訊號轉換為AM,並使用串聯的二極體和電容(常規峰值檢波器)從AM包絡中擷取資訊。此元件可以用於任何無線電,無論其有無FM功能。斜率檢波器依賴於接收器的選擇性,其電路操作是所有調諧電路鑒頻器的基礎。其主要由一個調諧電路和一個二極體峰值檢波器組成,這種組合是典型調諧電路鑒頻器的基本結構。圖3和圖4分別為傳統版和簡化版的原理圖。 
圖3. 斜率檢波器 
圖4. 無變壓器斜率檢波器
 
斜率檢波器儘管結構簡單,但其電壓與頻率的關係呈高度非線性,因此鮮有應用。圖5顯示了其電壓與頻率的關係。
 
圖5. 斜率檢波器的電壓與頻率關係
 
斜率檢波器的另一種變體是平衡斜率檢波器,其由兩個並聯連接且相位相差180°的單端斜率檢波器組成。
 
程式步驟
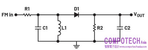
打開模擬檔(圖6中的電路)。在該電路中,調變頻率為1 kHz、載波訊號為5 V/20 kHz、調變指數為5的FM訊號被饋送到輸入端。C1和L1組成的調諧電路執行FM到AM的轉換,D1、R2和C2組成的峰值檢波器從AM包絡中擷取資訊。運行模擬檔並觀察波形。
 
圖6. 斜率檢波器模擬
 
觀察到的波形應該與圖7類似。
 
圖7. 斜率檢波器波形
 
其他電路
Foster-Seeley鑒頻器和比率檢波器
Foster-Seeley鑒頻器和比率檢波器是廣泛使用的FM解調器,適用於通常採用分立元件的無線電接收器。圖8為Foster-Seeley鑒頻器原理圖,圖9為比率檢波器。乍看此兩個電路很相似。它們都有一個射頻變壓器和一對二極體,但與比率檢波器不同的是,Foster-Seeley沒有第三繞組,而是有一個扼流圈。
 
圖8. Foster-Seeley鑒別器
 
圖9. 比率檢波器
 
這兩種解調器均採用分立元件建構,結構簡單,性能卓越,線性度高。然而,Foster-Seeley相較於比率檢波器輸出更高且失真更低,而比率檢波器相較於Foster-Seeley則具有更強的幅度雜訊抑制能力,並且頻寬更寬。這些解調器的缺點包括變壓器的成本高,以及難以將其與積體電路整合,因此導致目前的使用範圍有限。
 
脈衝平均鑒頻器
脈衝平均鑒頻器利用零交越檢波器、單穩態觸發器和低通濾波器來恢復原始調變訊號。圖10為脈衝平均鑒頻器的框圖。圖11為其波形。
 
圖10. 脈衝平均鑒別器框圖
 
這是一種非常高品質的頻率解調器,曾經僅用於昂貴的遙測和工業控制應用。但得益於低成本IC,脈衝平均鑒頻器現在已經很容易實現,目前已用於許多電子產品中。
 
圖11. 脈衝平均鑒頻器的波形:(a) FM輸入,(b)零交越檢波器的輸出,(c)單 次採樣的輸出,(d)鑒頻器的輸出(原始調變訊號)。
 
正交檢波器
正交檢波器(圖12)可能是應用較為廣泛的FM解調器,其使用相移電路在未經調變的載波頻率上產生90°相移。此種檢波器主要用於電視解調,也用於某些調頻廣播電臺。
 
圖12. 正交檢波器框圖
 
鎖相迴路
鎖相迴路(PLL)是一種頻率或相位敏感型回饋控制電路。所有PLL都有三個基本元件,即鑒相器、低通濾波器和壓控振盪器,主要用於頻率解調、頻率合成器以及各種濾波和訊號檢測應用。圖13為PLL的框圖。
 
圖13. 鎖相迴路框圖
 
儘管涉及PLL的操作,但用於FM解調器的鎖相迴路可能是相對較簡單且較容易理解的。鎖相迴路具有濾波功能,可以選擇頻率,因此其訊號雜訊比優於任何其他類型的FM檢波器。若要更深入地研究其操作,請查看相關的實驗活動文章「鎖相回路」。
 
問題:
在斜率檢波器中,如果C2變為0.001 μF,輸出訊號會發生什麼變化?變為0.1 μF呢?
答案請參閱學子專區部落格。
 

 

電子郵件:look@compotechasia.com

聯繫電話:886-2-27201789       分機請撥:11