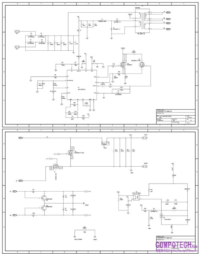
|
參數 |
符號 |
最小值 |
最大值 |
|
輸入電壓 |
VINDC |
27.8 VDC (≈ 24 × 85% × √2-1) |
60 VDC |
|
VINAC |
20.4 VAC (≈ 24 × 85%) |
41.8 VAC |
|
|
開關頻率 |
|
350 kHz |
|
|
峰值頻率 |
η |
高於than 88% |
|
|
工作週期 |
D |
0.22 |
0.46 |
|
輸出電壓 |
VOUT |
14.85 |
15.15 |
|
輸出電壓漣波 |
ΔVOUT |
300 mV |
|
|
輸出電流 |
IOUT |
0 A |
1.5 A |
|
輸出功率 |
POUT |
22.5 W |
|

















Copyright © 2002-2026 COMPOTECH ASIA. 陸克文化 版權所有
聯繫電話:886-2-27201789 分機請撥:11