當前位置: 主頁 > 技術&應用 >
 

開關模式電源開始採用GaN開關

本文作者:Frederik Dostal       點擊: 2025-01-22 10:51
前言:
作者:ADI 電源管理專家Frederik Dostal
摘要
在開關模式電源中使用GaN開關是一種相對較新的技術。此種技術可望提供更高效率、更高功率密度的電源。本文討論了該技術的準備情況,提到所面臨的挑戰,並展望GaN作為矽的替代方案在開關模式電源中的未來前景。
 
如今,電源管理設計工程師常常會問道:
現在應該從矽基功率開關轉向GaN開關了嗎?
 
氮化鎵(GaN)技術相較於傳統矽基MOSFET有許多優勢。GaN是寬能隙半導體,可以使功率開關在高溫下工作並實現高功率密度。此種材料的擊穿電壓較高,可適用於100 V以上的應用。而對於100 V以下的各種電源設計,GaN的高功率密度和快速開關特性也能帶來諸多優勢,例如進一步提高功率轉換效率等。
 
挑戰
用GaN元件取代矽基MOSFET時,肯定會遇到一些挑戰。首先,GaN開關的閘極電壓額定值通常較低,所以必須嚴格限制驅動器級的最大電壓,以免損壞GaN元件。
 
其次,必須關注電源開關節點處的快速電壓變化(dv/dt),這有可能導致底部開關誤導通。為了解決此問題,需佈置單獨的上拉和下拉接腳,並精心設計印刷電路板佈局。
 
最後,GaN FET在死區時間的導通損耗較高,所以需要盡可能縮短死區時間,與此同時,還必須注意高側和低側開關的導通時間不能重疊,以避免接地短路。
 
如何入門
GaN在電源設計領域有著廣闊的發展前景,但如何開始相關設計,是許多企業的痛點。比較簡單的方法是選用相關的開關模式電源控制器IC,例如ADI的單相降壓GaN控制器 LTC7891。選擇專用GaN控制器可以簡化GaN電源設計,增強其穩健性。先前提到的所有挑戰都可以透過GaN控制器來解決。如圖1所示,採用GaN FET和LTC7891等專用GaN控制器,將大幅簡化降壓電源設計。
 
圖1. 專用GaN控制器有助於實現穩健且密集的電源電路
 
使用任意控制器IC
使用任意控制器IC 若希望透過改造現有的電源及其控制器IC來控制基於GaN的電源,那麼GaN驅動器將會很有幫助,可負責解決GaN帶來的挑戰,實現簡單而穩健的設計。圖2為採用 LT8418驅動器IC實現的降壓穩壓器功率級。
 
圖2. 專用GaN驅動器根據來自傳統矽基MOSFET控制器的邏輯PWM訊號控制功率級
 
邁出第一步
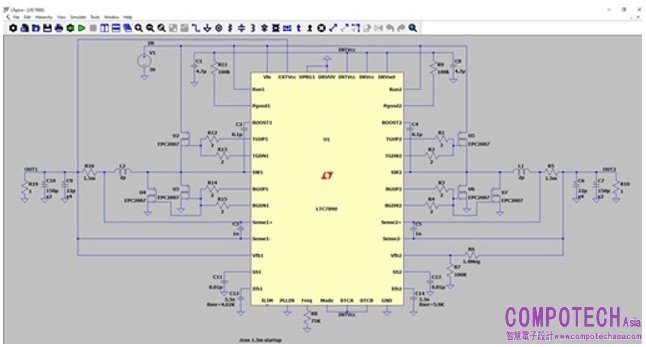
選定合適的硬體、控制器IC和GaN開關之後,可透過詳細的電路模擬來快速獲得初步評估結果。ADI的 LTspice® 提供完整的電路模型,可免費用於模擬。這是學習使用GaN開關的一種便捷方法。圖3為LTC7890(LTC7891的雙通道版本)的模擬原理圖。
 
圖3. LTspice,一款實用的GaN電源模擬工具
 
結論
GaN技術在開關模式電源領域已經取得了許多成果,可用於許多電源應用。未來,GaN開關技術仍將持續反覆運算更新,進一步探索應用前景。ADI現有的GaN開關模式電源控制器和驅動器彈性且可靠,能夠相容目前及今後由不同供應商研發的GaN FET。
 

 

電子郵件:look@compotechasia.com

聯繫電話:886-2-27201789       分機請撥:11