當前位置: 主頁 > 技術&應用 >
 

隔離式狀態監測通道之間的相位匹配:DAQ μModule應用

本文作者:Malcolm Kwok       點擊: 2024-10-23 11:16
前言:
 
摘要
能夠同時透過多個感測器擷取資料的狀態監測系統,通常使用通道間隔離解決方案來消除接地迴路。由於元件容差,板級分立訊號鏈存在較大的通道間相位失配誤差,但 ADI的精密訊號鏈μModule®解決方案採用整合式被動元件(iPassives™)技術,有效降低了相位失配誤差。
 
簡介
狀態監測(CM)系統在製造、航空航太、醫療健康和基礎設施等各種產業中發揮著非常重要的作用。此類系統協助檢測和分析各種情況,確保資產和機械的安全性、可靠性和性能。監測的主要參數之一是振動,振動訊號的幅度、頻率和相位包含大量有關資產狀況的資訊。
 
本文闡述CM系統中精準相位測量的重要性,以及其在涉及多個同步採樣通道的資料擷取(DAQ)應用中面臨的挑戰。本文討論了多種傳統解決方案,同時也介紹了一種創新方法來使相位匹配性能達到全新水準。
 
架構
CM系統由多個感測器或變換器組成。許多系統採用集中式系統架構,每個感測器透過類比電纜連線到DAQ解決方案的一個通道或輸入1 
圖1. 集中式DAQ架構1
 
感測器類型眾多,可測量振動、聲音和電流等參數。感測器可以在單一資產設備的多個點和軸上收集資料,甚至可以在多個獨立資產設備上同時收集資料2。來自這些管道的資料經過處理,可使我們深入瞭解系統行為,例如預測機器故障,防患於未然,或在問題惡化前提前安排維護工作。
 
用例
使用多通道同步採樣ADC
第一個用例是CM系統對來自兩個或更多正交感測器的資料進行相位分析,以監測機器運行和異常,例如失衡、中心偏移和底角鬆動等。我們可以使用其中一個感測器的相位作為參考來確定故障位置,而無需使用轉速計3
 
圖2. 應用:使用相位分析確定故障的類型和位置
 
在多軸感測中,保留訊號擷取之間相對恆定的時間延遲對於時間和頻率資訊的後處理非常重要。換句話說,訊號需要同步採樣且通道間相位匹配,以保留幅度和相位(時間)域資訊。否則,感測器之間的相位角測量會不精準。CM系統供應商的相位匹配規格在20 kHz時可以低至1°,其中甚至包括隔離電路的延遲和抖動。
 
而多通道同步採樣Σ-Δ ADC(如ADI的 AD7768-4或 AD4134)可有助於實現此目標。參見表1。相較於逐次漸近暫存器(SAR)型ADC,Σ-Δ ADC具有更高的DC至100 kHz解析度和適合振動訊號時域與頻域分析的濾波功能,因而在CM應用中更受青睞。欲瞭解更多資訊,請參閱文章「狀態監測系統設計選項及其對訊號鏈建置方案的影響」1
 
表1. 不同ADC的相位匹配性能和相位校準解析度

 

AD7768/AD7768-4

AD4134

20 kHz時通道間相位匹配(最大值)

未測量

0.024°

20 kHz時相位校準解析度

0.88°

0.3°

 
然而,使用離散時間Σ-Δ(DTSD) ADC(如AD7768-4)時,訊號鏈可能出現相位失配誤差。DTSD ADC無法抑制其採樣頻率倍數處的混疊,因此系統容易受到頻外干擾的影響,目標CM訊號可能會受到破壞。為了改善這些頻率處的抑制效果,ADC驅動器級採用類比抗混疊濾波器設計(圖3,通常為三階或更高階),同時使頻內幅度誤差保持最小。例如,設計用於在16 MHz(採樣頻率)和160 kHz -3dB(輸入頻寬)下實現-80 dB抑制的二階巴特沃茲濾波器,即使RC失配容差低至1%,在20 kHz時也可能存在±0.15°的相位失配4
 
圖3. 相位失配誤差源
 
對於連續時間Σ-Δ(CTSD) ADC(如AD4134)來說,這不是問題,因為其在通頻之外不受干擾,故而無需類比抗混疊濾波器。然而,DTSD和CTSD關鍵區別在於,前者在功耗調節方面更彈性。此外,可能還有其他原因造成延遲,例如輸入放大器和隔離電路。
 
為了解決此問題,這兩種多通道IC都有相位校準暫存器,可根據每個通道在不同頻率和溫度下的延遲(比 1/Fsampling更準確,在20 kHz時約為0.5°),調整每個通道的相位(表1)。總體而言,多通道同步採樣ADC雖然存在侷限性,但在大多數情況下都能滿足需求。
 
接地迴路和隔離需求
考慮同時監測單台機器的不同部分,甚至監測不同的機器。在此系統中,我們需要仔細考慮接地迴路。
 
儀器儀錶使用接地和遮罩來保護測量訊號免受雜訊和雜散電磁場的影響。用於連接感測器和DAQ解決方案的電纜通常是遮罩雙絞線,其中遮罩層從感測器側接地,或者從DAQ側接地。
 
例如,如果(1)感測器有一條接地路徑,(2)DAQ也有另外一條接地路徑,並且(3)電纜遮罩層從兩側接地,則會形成接地迴路(圖4)。接地迴路讓電流可以沿著遮罩層流動。因此,遮罩層上來自電源線和附近機械的感應電流可能會將干擾耦合到訊號線 上。為了正確接地,理想情況下從系統中的任何點到地應該只有一條低阻抗路徑。接地系統設計需要考慮應用、環境和感測器的隔離類型。
 
圖4. 加速度計在安裝中接地不當5
 
加速度計可以是(a)外殼接地、(b)外殼隔離或(c)接地隔離6
(a) 外殼接地的加速度計連接到導電表面時,會有一條接地路徑。單通道系統僅要求隔離DAQ。但對於多通道系統,多個感測器的接地會形成接地迴路。
(b) 為了避免這個問題,推薦採用隔離感測器和接地多通道DAQ解決方案(圖5)。許多加速度計具有基本的外殼隔離,感測元件通常透過有塗層的焊墊與感測器外殼隔離。
 
圖5. 正確接地:在儀器儀錶處接地,在加速度計處隔離5
 
(c) 其他加速度計則採用各種技術實現與安裝表面的接地隔離。
i. 黏著劑安裝可實現不同程度的隔離,具體取決於黏著劑的厚度。
ii. 整體式外殼隔離和隔離安裝通常需要較高/額外的成本,但在危險環境中,例如存在雷擊風險的風力渦輪機,這種隔離可能是必要的。

總而言之,在隔離感測器的同時讓DAQ接地可以解決接地迴路問題,但成本可能較高。
 
圖6. 外殼隔離的加速度計和隔離底座6
 
降低成本,在DAQ處隔離
為了避免隔離感測器的高成本,也可以考慮使用多個單通道 ADC(如 AD7768-1)和隔離電路(圖7)。要在感測器側接地,感測器外殼可用於接地點。如此,DAQ解決方案可獨立配置、可擴展且適用於更廣泛的應用場景。
 
圖7. 正確接地:在儀器儀錶處隔離,在加速度計處接地5
 
您可能已經意識到了:這又要解決主要由類比AAF引起的通道之間相位失配較大的問題。
 
若無同步採樣和相位校準暫存器,便只能透過時序進行校準,以減小相位失配誤差。FPGA可以控制每個通道開始擷取資料的時序,但需要高頻時脈和相位/延遲鎖定環,這會大幅增加DAQ解決方案的複雜性。
 
μModule解決方案的廣闊天地
μModule提供封裝級的相位匹配解決方案。
μModule解決方案將完整的訊號鏈整合到系統級封裝(SIP)中,因此僅需一份產品手冊就能說明整個訊號鏈的性能。該方案不僅消除了冷焊料和BOM(物料清單)可用性等重大PCB組裝問題,而且透過ADI的整合式被動元件(iPassives)技術提升性能,使客戶能夠因應相位匹配等複雜的系統級挑戰。
 
ADI ADAQ7768-1為一款單通道μModule DAQ系統,適合CM應用。其中包括一個36 V可編程增益儀錶放大器(PGIA)、一個四階主動抗混疊濾波器(AAF)和一個具有與AD7768-1相同特性的24位DTSD ADC
 
圖8. ADAQ7768-1功能框圖
 
ADAQ7768-1利用iPassives網路提供四階類比AAF,能夠實現精準的元件間相位匹配性能,媲美同步採樣ADC及其相位校準解析度,如表2和圖9所示。圖10說明了iPassives網路如何從製造開始實現精準匹配,其中電阻差異透過顏色漸變來表示。iPassives電阻容差可以低於0.1%,而電阻溫度係數(TCR)匹配誤差可以小於1 ppm/°C,表示設計好的RC濾波器頻寬可在整個溫度範圍內保持穩定。憑藉iPassives網路,μModule解決方案透過BOM和元件方法解決了相位失配問題,使性能突破了傳統分立式訊號鏈的限制,達到全新的層次。
 
表2. 不同ADC(包括精密訊號鏈μModule解決方案)的相位元匹配性能和相位校準解析度

 

AD7768/
AD7768-4

AD4134

ADAQ7768-1

ADAQ7767-1

20 kHz時通道間相位匹配(最大值)*

 

0.024°

0.22°

0.20°

20 kHz時相位校準解析度

0.88°

0.3°

 

 

 
 
圖9. 在20 kHz時和整個溫度範圍內的ADAQ7768-1元件間相位角失配,歸一化 為25°C時的平均值
 
圖10. 相較於分立電阻,ADI的iPassives電阻具有更嚴格的容差和匹配性能7
 
同類產品和區別
除了ADAQ7768-1外,還有其他大類產品使用相同的整合ADC,即 ADAQ7767-1和 ADAQ7769-1(圖11)。
 
圖11. 與IEPE感測器一起使用的各種ADAQ776x-1大類產品
 
ADAQ7768-1
ADAQ7768-1內建一個全差分PGIA。由於具有高阻抗和低輸入偏置電流,其可直接連接到各種感測器。不同於傳統的電壓回饋放大器,整合PGIA在所有增益設定下保持幾乎相同的頻寬,無論增益如何設定都能實現嚴格的元件間相位匹配。
 
ADAQ7767-1
ADAQ7767-1不提供內建輸入放大器,進而降低成本,使客戶可以採用客製化的輸入訊號處理方案。該元件有三個輸入範圍,單端輸入的最大範圍為±24 V,支援直流耦合IEPE感測器架構和更簡單的電源解決方案。
 
ADAQ7769-1
ADAQ7769-1在ADAQ7767-1基礎上增加了單端可編程增益低雜訊放大器。單端輸入範圍仍為±24 V,支援直流耦合IEPE感測器架構並提供更完整的解決方案。
 
實現同步
為了充分發揮這些產品的相位匹配性能,元件必須遵循適當的同步方法。雖然存在同步各種產品的通用方法,但某些元件可以採用專屬同步方式,這通常會為整個系統帶來益處。
 
一般來說,許多SD ADC提供了SYNC或 SYNC_IN接腳,允許控制器同步彼此獨立但通常相似的ADC。在時間敏感的ADC中,這通常要求SYNC脈衝與共用控制器時脈(MCLK)同步。否則,抖動和傳輸延遲可能會導致一個元件的同步觸發訊號會比其他元件延後一個MCLK週期。圖12解釋了如何使用來自控制器的SYNC_IN脈衝同步各ADAQ776x-1,理想情況下此脈衝與系統MCLK保持一致。
 
圖12. 使用與MCLK保持一致的 SYNC_IN來同步通道間隔離系統中的ADAQ776x-1元件
 
由於CM應用中的同步和相位匹配要求,ADAQ776x-1和AD7768-1大類產品包含SYNC_OUT接腳,當由GPIO = START輸入脈衝或透過SPI寫操作觸發時,該接腳會輸出SYNC_OUT脈衝。在這兩種情況下,SYNC_OUT脈衝隨後可以饋入SYNC_IN接腳,觸發有效資料轉換開始。
 
為了減少通道間隔離系統中隔離數位佈線的數量,建議使用第二種方法,從同一SPI輸入線(SDI)對所有元件執行SPI寫操作,進而啟動SYNC_OUT脈衝,由此便可實現同步,如圖13所示。這裡假設所有通道有一個共同MCLK,理想情況下其與SPI時脈(SCLK)同步,以避免延遲觸發。此種方案無需來自控制器的隔離 SYNC_IN 或START 線。為進一步減少數位隔離線路,ADAQ776x-1和AD7768-1大類產品可將資料就緒訊號(DRDY或RDY)與輸出資料(DOUT)結合在同一線路中。
 
圖13. 使用SPI寫操作同步通道間隔離系統中的ADAQ776x-1元件
 
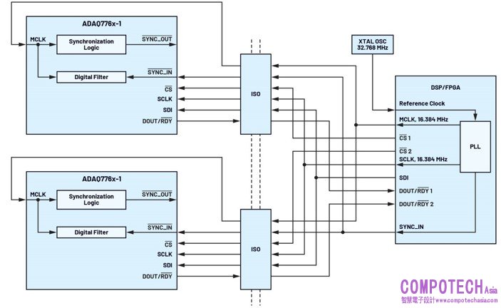
圖14為採用ADAQ7768-1的通道間隔離高性能DAQ解決方案,其中使 用 ADP1031作為隔離電源解決方案,為所有供電軌供電,並使用ADuM141D提供額外的隔離數位佈線。
 
圖14. 採用ADAQ7768-1的通道間隔離高性能DAQ解決方案
 
結論
由ADAQ776x-1的隔離單通道組成的CM系統是一種經濟高效的解決方案,可提供媲美同步採樣SD ADC的相位匹配性能。藉由ADI iPassives技術提供的精密電阻, μModule解決方案將可因應RC抗混疊濾波器導致的相位匹配問題。
 
參考電路
1 Naiqian Ren,「狀態監測系統設計選項及其對訊號鏈建置方案的影響」,ADI,2021年10月。
2 Gabriele Ribichini,「高壓電抗器振動測試」,DEWESoft®,2023年2月。
3 Tony DeMatteo,「相位分析:輕鬆進行振動分析」,Ludeca,2010年10月。
4 「連續時間Σ-Δ (CTSD)精密ADC迷你教程」,ADI,2022年12月。
5 「振動感測器接線和佈線」,Wilcoxon Sensing Technologies。
6 「振動基礎原理」,PCB Piezotronics。
7Mark Murphy和Pat McGuinness,「使用微型模組SIP中的整合被動元件」,《類比對話》,第52卷,第10期,2018年10月。
8 Pete Sopcik和Dara O'Sullivan,「感測器性能如何支援狀態監測解決方案」,《類比對話》,第53卷第6期,2019年6月。
 
致謝
感謝John Healy和Naiqian Ren對本文的技術貢獻。
 

 

電子郵件:look@compotechasia.com

聯繫電話:886-2-27201789       分機請撥:11