當前位置: 主頁 > 技術&應用 >
 

固態繼電器如何簡化高電壓應用中的絕緣監控設計

本文作者:德州儀器       點擊: 2023-12-13 11:26
前言:
在電動車、太陽能板和能源儲存系統中,高電壓電源可實現更快速的充電時間、減少功率損耗,並提升設計可靠性。高電壓電流可能會產生危險甚至致命危害,但設計人員會使用絕緣監控系統傳送警示或斷開電源,防止對應用或使用者造成傷害。快速準確偵測隔離中的故障,是強化使用者安全和降低災難性電力中斷所造成損害或火災的重要關鍵。

具備絕緣監控的常見應用包含電池管理系統、能源儲存系統、串列式轉換器、直流快速充電器、直流充電樁充電器、太陽能板、馬達和平面。但準確度與耐受電壓測試要求可能會使絕緣監控對設計造成挑戰。TI 提供專為簡化設計程序的參考設計和裝置。

瀏覽絕緣監控的設計挑戰
絕緣監控又稱為絕緣檢查、隔離監控、隔離檢查、接地故障偵測或接地故障感測,可監控高電壓終端與保護接地/底盤接地間的絕緣量。圖 1 說明一種絕緣監控配置。絕緣監控電路的基本運作包含切換已知電阻 (RDIV1/2、RDIV3/4) 和系統方程式求解,以找出已知絕緣電阻 (RISOP、RISON)。
 

圖 1:絕緣監控配置

滿足嚴格安全要求
安全標準要求製造商執行介電壓耐受測試 (又稱為高壓測試),以評估給定電力或電子裝置安全絕緣的有效性。介電電壓耐受測試會在絕緣層上施加高電壓一分鐘。測量到的絕緣後測試若滿足製造商的閾值要求,即可判定為通過等級。

根據國際電子電機委員會 (IEC) 60950,基本絕緣的耐受電壓測試為 2U + 1,000 VRMS,其中 U 為系統最大操作電壓。製造商在依方程式 1 設計 800-V 系統時,可能需進行 4,242-V 耐受電壓測試。

2 x 1,000 V (增加電池充電容限) +1,000=3,000 VRMS=4,242 VDC       (1)

圖 2 說明此耐受電壓測試,使用先前的絕緣監控配置,移除高電壓電池,並在終端和底盤接地使用 4,242 V。
 

圖 2:絕緣監控高電位範例

由於開關 (SW1、SW2) 常為配備整合式金屬氧化半導體場效電晶體的固態繼電器或光繼電器,您必須進行元件考量以確保開關存活率。這些開關通常在一段時間內額定為有限崩潰電流 (Iava) 量,例如在選擇元件時,您可能需選擇串聯電阻器來適當限制崩潰電流,或在接地中加入昂貴的磁簧繼電器,以避免崩潰電流聚集在一起。但大型串聯電阻器會對量測準確性造成負面影響,因此選擇電阻值與絕緣電阻相似的電阻器,將可提高準確度。
 
固態繼電器的優點
您可使用光繼電器,但與固態繼電器相比,在崩潰電流、速度、可靠性和解決方案尺寸上將有其缺點。TPSI2140-Q1 支援最高 2 mA 崩潰電流,通用光繼電器則為 0.6 mA。通用光繼電器通常也因其 LED 和正向偏壓要求,而受到切換速度限制。光繼電器會隨時間和尺寸而有光衰減問題,需要額外元件來打造驅動電路。
 
圖 3 說明 TPSI2140-Q1 功能方塊圖。
 
圖 3:TPSI2140-Q1 功能方塊圖
 
視其他系統要求而定,您可考慮 BQ79731-Q1 電池組監控器等採用智慧電池接線盒的配置,以量測電壓、溫度和電流。
 
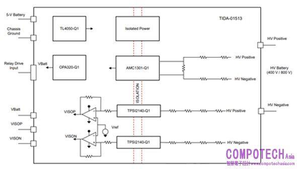
高電壓電動車充電和太陽能隔離監控 AFE 參考設計和車用高電壓與隔離洩漏測量參考設計皆採用 TPSI2140-Q1 固態繼電器進行已知電阻切換。
 
設計人員有時會選擇採用絕緣監控模組,以避免耐受電壓測試設計考量挑戰。參考設計使用不同拓撲結構處理絕緣監控,提供良好故障偵測準確度,並支援安全標準和可擴充性等。
 
AFE 參考設計可準確可靠地監控絕緣電阻,在絕緣電阻量測中維持絕緣效果,並支援 IEC 61557-8 與 IEC 61851-23。
 
圖 4 說明 AFE 參考設計方塊圖。
 
圖 4:AFE 參考設計方塊圖
 
圖 5 說明洩漏測量參考設計的方塊圖。
 
圖 5:洩漏測量參考設計方塊圖
 
結論
EV 從 400 V 轉為 800 V 和太陽能轉採較高電壓系統等轉採高電壓以降低充電次數的趨勢,會增加對可靠安全性和絕緣監控方法的需求。絕緣監控透過監控從高電壓終端到保護接地/底盤接地的洩漏電流,來偵測絕緣電阻。由於超過 10 mA 的電流可能會致命,絕緣監控系統必須在絕緣中偵測到故障時提供警告。

TI 的固態繼電器可在最高速度下提供最高操作溫度和最高介電強度,同時兼顧成本效益。此外也可在小型封裝中提供可靠切換效果。在下方其他資源中,探索使用隔離式開關和驅動器以獲得最佳設計的相關資訊。

其他資源
觀看 TI 精密實驗室訓練系列中的「隔離簡介」。
查看我們的固態繼電器產品組合。
如需更多資訊,請閱讀技術文章「如何以固態繼電器實現更高的可靠性隔離及更小的解決方案尺寸。」

關於德州儀器(TI)

德州儀器(納斯達克股票代碼:TXN)為位居世界領導地位的全球半導體公司,致力於設計、製造、測試以及銷售類比和嵌入式半導體晶片,為工業、汽車、個人電子、通訊設備和企業系統等市場服務。打造更美好的世界是我們的願景,為此,我們以半導體技術為基礎,致力於創造更輕巧、更高效、更可靠及更具成本效益的產品解決方案,使半導體更加普及地被應用於各式電子產品中。推動半導體技術持續更上一層樓,是我們數十年來始終如一的信念。更多詳情,敬請瀏覽 TI.com

商標
所有其他商標均屬於其個別所有人。

 

 

電子郵件:look@compotechasia.com

聯繫電話:886-2-27201789       分機請撥:11