當前位置: 主頁 > 技術&應用 >
 

學子專區—ADALM2000實驗:鎖相迴路

本文作者:Antoniu Miclaus       點擊: 2023-08-24 09:25
前言:
作者:ADI 系統應用工程師Antoniu Miclaus 和 顧問研究員Doug Mercer
目標
本實驗活動介紹鎖相迴路(PLL)。PLL電路有一些重要的應用,例如訊號調變/解調(主要是頻率和相位調變)、同步、時脈和資料恢復,以及倍頻和頻率合成。在這項實驗中,您將建立一個簡單的PLL電路,讓您對PLL操作有基本的瞭解
 
背景知識
PLL為一種回饋系統,用於調節或鎖定壓控振盪器(VCO)輸出與輸入基準訊號之間的相位差,如圖1所示。VCO是一種振盪器,其輸出頻率是某個輸入控制電壓的函數。通常,當VCO用於PLL等回饋迴路時,電壓頻率轉換函數必須至少是單調的。VCO的一個特例是電壓頻率轉換器(VFC),其電壓/頻率特性是線性的。回饋迴路中的分頻器的分頻係數N一般是整數,包括1,若為1則與沒有分頻器或從VCO輸出直連相位檢測器輸入的情況相同。 
圖1.PLL基本框圖
 
PLL是許多深奧書籍和討論的主題,因其非常複雜而無法在短短的文章中詳盡說明,更多內容連結請參考本文的最後閱讀素材。
 
材料
ADALM2000 主動學習模組
無焊試驗板
跳線
一個2.2 kΩ電阻
一個47 kΩ電阻
一個10 kΩ電阻
一個4.7 nF電容(標記為472)
一個100 pF電容(標記為101)
一個CD4007 CMOS陣列
2個ZVN2110A NMOS電晶體
2個ZVP2110A PMOS電晶體
一個 AD654 VFC
一節9 V電池(具有連接器)
 
第1步指導
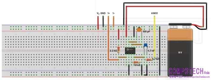
在無焊試驗板上,首先基於AD654搭建VFC電路,如圖2所示。將電路搭建到試驗板的一側,以便為PLL的其他零件留出空間,我們將在本實驗活動的後續步驟中增加這些零件。控制電壓透過由R1和C1組成的單極點低通濾波器施加。這相當於圖1中饋送至VCO模組的低通濾波器模組。
 
圖2.VFC電路
 
硬體設定
開啟固定5 V電源,並將9 V電池連接到電路。將AWG1輸出連接到VIN,如圖2所示。將AWG1配置為DC源,初始設定為2.5 V。將示波器通道輸入CH1+連接到VSQR輸出,如圖2所示。還應將CH1-輸入接地。
 
圖3.VFC試驗板電路
 
程式步驟
使用AWG 1直流偏置控制,將VIN電壓從1 V調整到4 V,同時在VSQR觀察VFC輸出的頻率。使用示波器控制螢幕上的頻率測量功能來完成此操作。根據公式1,圖2中的Rt和Ct設定VFC的標稱輸出頻率。
 
例如,VIN為設定範圍的中間值2.5V,並給定Rt Ct值(2.5/(10 × 10 kΩ × 100 pF)),輸出頻率應接近250 kHz。驗證您的測量結果是否與該值一致。如果不一致,請重新檢查電路連接和元件值。
 
圖4.VFC輸出
 
第2步指導
接下來,在試驗板上增加來自上一個實驗的XOR閘相位檢測器電路,如圖5所示。建構XOR閘後,將其連接到V轉F電路,如圖6所示,以構成完整的PLL。在為電路增加任何東西之前,務必關閉5 V電源並斷開9 V電池。
 
圖5.增加XOR相位檢測器
 
圖6.完整PLL電路
 
硬體設定
開啟固定5 V電源,並將9 V電池連接到電路。將AWG1輸出連接到FREF,如圖4所示。將AWG1配置為方波,其幅度為5 V峰對峰值,偏置為2.5 V(0 V至5 V擺幅);將初始頻率設定為第1步中測得的值(即VIN設定為2.5 V時,應在250 kHz左右)。將示波器通道輸入CH1+連接到FREF輸入,並將示波器通道CH2+連接到VSQR輸出,如圖6所示。還應該將CH1-和CH2-輸入接地。將示波器設定為在通道1(FREF訊號)的升緣觸發。
 
圖7.完整的PLL試驗板電路
 
程式步驟
FREF的頻率設為對應於AD654接腳4上2.5 V控制電壓的情況下,VSQR處看到的輸出頻率應鎖定輸入基準頻率FREF。在示波器螢幕上,您應該可看到兩個方波是穩定的(即彼此鎖定),並且VSQR相對於FREF偏移約90°。請記住,當XOR相位檢測器的兩個輸入相差90°時,其濾波輸出將處於其輸出範圍的一半或約2.5 V。
 
圖8.完整的PLL FREFVSQR曲線
 
以小增量增大和減小基準頻率FREF,以確定PLL會鎖定的最小和最大頻率。當更改基準輸入的頻率時,注意FREFVSQR之間的相對相位差。執行此操作時,測量AD654接腳4上的濾波直流控制電壓,並將這些讀數與步驟1中掃描VFC直流控制電壓時測得的讀數進行比較。
將示波器通道2連接到圖6中C點處XOR閘的輸出端。將所看到的方波與異或閘A (VSQR)和門B (FREF)的輸入進行比較。當PLL鎖定在最小和最大鎖定頻率以及鎖定範圍的中心頻率時,C處的波形如何變化?
 
附加第3步指導
圖6中的簡單PLL電路並不十分有意義,因為輸出訊號只是輸入訊號的相移版本。如圖1所示,如果在從VFC輸出端到相位檢測器輸入端的回饋路徑中插入一個數位分頻器模組,則輸出訊號將是一個更高的倍頻訊號。使用任何可用的數位分頻器IC,如CD4020、CD4040、CD4060甚至SN7490(幾乎任何分頻器IC都可以),斷開與XOR閘輸入A的連接,並插入分頻器模組,如圖9所示。
 
圖9.PLL倍頻器
 
根據您建構的分頻器的分頻係數N,您需要相應地改變FREF輸入頻率。例如,當N=8時,如果FREF之前是250 kHz,新的FREF將是250/8或31.25 kHz。XOR閘相位檢測器輸出端的脈衝頻率也將是原來的八分之一。
 
 
問題
能否舉出PLL電路的相關實際應用?
答案可以在 學子專區 部落格上找到。
 

 

電子郵件:look@compotechasia.com

聯繫電話:886-2-27201789       分機請撥:11