當前位置: 主頁 > 技術&應用 >
 

簡單的電氣隔離

本文作者:Frederik Dostal       點擊: 2022-11-23 11:16
前言:
許多電路都需要電氣隔離,這通常是使用變壓器來提供。許多不同的拓撲結構都是透過變壓器來傳輸電能。反馳式轉換器則是一種廣泛使用的電路類型,尤其適用於大約50 W或更低的功率。
 
圖1顯示了簡單的反馳式轉換器的原理圖。當開關S1接通時,反馳式轉換器將電能儲存在變壓器線圈T1中。當S1斷開時,儲存在線圈中的電能經由T1的次級繞組,再經由續流二極體D1傳輸至輸出。 
圖1. 反馳式轉換器的原理圖。
 
從圖1可以看出,除了電源路徑,還需要回饋路徑(綠色所示)。該路徑用於準確調節輸出電壓。可惜這個回饋路徑是相當複雜的,因為回饋訊號也必須透過電氣隔離器進行傳輸。為此,我們使用光耦合器或數位隔離器模組,例如 ADuM3190 。回饋訊號也可以在初級側進行感測,在如此情況下,無需對回饋路徑進行電氣隔離。
 
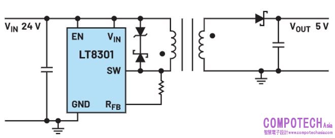
使用ADI提供的無光耦產品平台中的轉換器,可以輕鬆建構小型電氣隔離反馳式電路。圖2顯示 LT8301 ,其輸入電壓高達42 V,最大切換電流為1.2 A。在圖2所示的電路中,沒有從輸出電壓回流至一次側開關穩壓器的回饋路徑。但是,透過變壓器提供了一個隱藏的內部回饋路徑。在初級側開關斷開期間,測量透過變壓器的初級繞組反射回來的電壓。這樣就可以獲取有關一次側輸出電壓狀態的準確資訊。
 
圖2. 採用無光耦LT8301建構的高度緊密、易於使用的反馳式轉換器電路。
 
除了這個電氣隔離解決方案,還可以使用另一種非常不錯的方式來建構電氣隔離反馳式電路。此技術如圖3所示。其被稱為隔離降壓轉換器。 
 
圖3. 採用MAX17681的隔離降壓轉換器。
 
一般反馳轉換器和隔離降壓轉換器之間的主要區別在於初級變壓器繞組和地之間的電容CBUCK。在MAX17681中,變壓器的初級繞組由半橋驅動。表示MAX17681具有高邊和低邊開關。在無光耦反馳式轉換器(圖2)中,只包含一個開關,位於變壓器的初級繞組和接地之間。
 
隔離降壓轉換器可以視為一個簡單的降壓轉換器,具有耦合電感,因此可產生隔離電壓。圖3中的藍線表示降壓轉換器。CBUCK的電壓對應這個整合式降壓轉換器的調節電壓。
 
此兩種電氣隔離開關穩壓器概念都無需通過光耦合器進行訊號回饋,而每種解決方案的優點是什麼?
 
無光耦轉換器(圖2)無需使用大型初級側旁路電容(CBUCK),由一個開關從內部驅動。隔離降壓轉換器的優點,在於額外提供一個精密調節的一次側電壓。其可以用於系統中,例如,為初級側電路的電子元件提供電能。在設定時,必須確保在使用具有對應閘數比的變壓器時,能夠產生所需的電氣隔離電壓VOUT2
 
 
 
 

電子郵件:look@compotechasia.com

聯繫電話:886-2-27201789       分機請撥:11