當前位置: 主頁 > 技術&應用 >
 

學子專區—ADALM2000實驗:光耦合器

本文作者:Antoniu Miclaus       點擊: 2022-10-26 14:03
前言:
作者:ADI系統應用工程師Antoniu Miclaus及顧問研究員 Doug Mercer
目標
在本次實驗中,將使用紅外線LED和NPN光電電晶體建構光耦合器。並將研究基於光耦合器的類比隔離放大器和使用整合光耦合器的浮動電流源的工作原理。
 
NPN型電晶體光耦合器
 
背景知識
光耦合器或光隔離器為一款電子元件,透過發射光穿過其輸入和輸出之間的電氣隔離閘來傳輸電子訊號。光耦合器的主要目的是防止隔離閘一側的高電壓或電壓尖峰損壞元件或干擾傳輸到另一側的訊號。市售光耦合器可以承受3 kV至10 kV的輸入-輸出電壓,以及速度高達10 kV/µs的電壓瞬變。該元件一般在一端整合紅外線LED作為輸入,在另一端整合光電探測器(例如光電二極體或光電電晶體),並在兩者之間加設隔離閘,如圖1所示。當LED關閉時,也就是不發光時,沒有光電流進入電晶體基極,電晶體關閉。當LED中有電流流過時就會發光,而有足夠的光電流進入電晶體基極時電晶體則開啟。
 
圖1.NPN型電晶體光耦合器。
 
建構指南
本實驗的第一步是使用 ADALP2000 類比零件套件中的紅外線LED和NPN光電電晶體建構自己的光耦合器。如果您不使用零件套件來進行實驗,可以使用相似元件來取代,但實驗結果會因選擇的元件而異。
 
圖2.QED123紅外LED。
 
圖3.QSD123紅外線電晶體。

首先,將LED和光電電晶體的引線彎曲90°,如此插入無焊試驗板時,其彼此相對且處於同一高度。為了保證其正確對齊,並阻止雜散環境光進入,最好使用短管或切割到合適寬度的黑色絕緣膠帶,纏繞LED和光電電晶體組合體,如圖4所示。
 
圖4.建構好的耦合器。

材料
ADALM2000 主動學習模組
無焊試驗板
跳線
兩個2.2 kΩ電阻
一個單通道運算放大器,例如 OP27
 
說明
在無焊試驗板上建構圖5所示的電路。注意,NPN光電電晶體配置為電流吸收器,其發射極接地。注意,光電電晶體的兩根引線中,較長的是集電極,兩根LED引線中較短的一根接地。請仔細查看元件產品手冊確保正確連接。
 
圖5.光耦合器輸入-輸出特性電路。

硬體設定
配置波形產生器產生100 Hz三角波,峰對峰值幅度為3 V,偏移為2.5 V。兩個示波器通道均應設定為每格1 V。
程式步驟
示波器通道1用於測量電阻R1兩端的電壓,從而測得LED的輸入電流。示波器通道2用於測量電阻R2兩端的電壓,從而測得NPN型電晶體的輸出集電極電流。電流傳輸比(CTR)就是此兩個電流的比值。CTR用於衡量元件的增益、效率或靈敏度。
 
 圖6.光耦合器試驗板連接。
 
圖7.光耦合器Scopy圖波形。

說明
現在,將示波器通道1的1–輸入移動到接地。然後將示波器通道2的2+輸入移動到光電電晶體的集電極,將示波器輸入2–移動到接地。
 
配置波形產生器產生5 kHz方波,峰對峰值幅度為5 V,偏移為2.5 V。兩個示波器通道均應設定為每格1 V。
 
程式步驟
示波器通道1現在測量輸入訊號,示波器通道2測量輸出訊號。光耦合器的速度可以透過輸入和輸出波形之間的延遲進行表徵。衡量元件速度的另一個指標是輸出波形的上升和下降時間。測試光耦合器的頻率回應還有一種方法:使用Scopy軟體中的網路分析儀。將頻率掃描範圍設定為10 Hz至100 kHz。將AWG峰對峰值幅度設定為2 V,AWG偏移設定為3 V,或者直流偏移作為耦合器電路的輸出訊號中心時的電壓。
 
使用電壓-電流轉換器驅動LED
將LED置於作為電壓-電流轉換器的運算放大器的反饋回路中,可以大幅降低LED的非線性帶來的影響。
 
說明
調整您的無焊試驗板,使其電路與圖8所示的電路相似。注意,NPN光電電晶體現在配置為電流源,其集電極連接至正5 V電源Vp。這是為了表示:如何配置電晶體端子上的電壓其實無關緊要。
 
 圖8.電壓-電流LED驅動器。
 
硬體設定
配置波形產生器產生100 Hz三角波,峰對峰值幅度為3 V,偏移為2.5 V。兩個示波器通道均應設定為每格1 V。
 
程式步驟
對圖5中由電阻驅動的簡單電路版本執行相同的測量操作。將AWG波形切換為方波,然後測量延遲、上升和下降時間,並記錄在實驗報告中。將AWG波形切換為正弦波(與之前一樣,1 kHz頻率),再次測量諧波失真。注意調整AWG幅度和偏移,以得到和之前電路相似的輸出波形。
 
 圖9.電壓-電流LED驅動試驗板連接。 
 
圖10.電壓-電流LED驅動器示波器波形。
 
類比隔離放大器
要建構線性度更高的放大器,可以使用兩個匹配的光耦合器。最好在此電路中使用整合版本。
 
之前的電壓-電流配置降低了LED的非線性度。如果我們在反饋回路中增加一個光電電晶體,即可降低光電電晶體的光電轉換特性導致的非線性影響。
 
材料
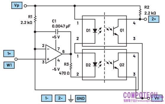
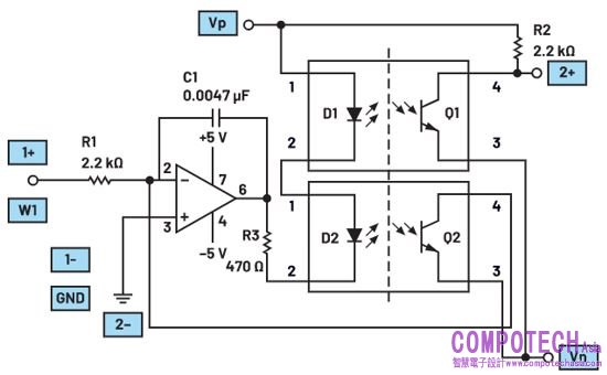
兩個NPN光耦合器(參見附錄查看具體元件選項)
一個0.0047 μF電容(472)
一個470 Ω電阻
 
說明
在無焊試驗板上建構圖11所示的電路。光耦合器的實際佈線可能因使用的封裝類型而異(4接腳封裝或6接腳封裝等)。圖中所示的接腳數量一般是4接腳封裝的標準數量。注意參考製造商數據手冊瞭解如何正確連接元件。
 
 圖11.單極性電壓輸入。
 
 圖12.雙極性電壓輸入。
 
硬體設定
與之前的兩種配置一樣,先設定波形產生器產生100 Hz三角波,峰對峰值幅度為4.8 V,偏移為2.5 V。兩個示波器通道均應設定為每格1 V。
 
程式步驟
重複對之前兩個電路版本執行的相同測量操作。將AWG波形切換為方波,然後測量延遲、上升和下降時間。將AWG波形切換為正弦波(與之前一樣,1 kHz頻率),再次測量諧波失真。注意調整AWG幅度和偏移,以得到與之前電路相似的輸出波形。
 
問題:
您能否舉出使用光耦合器的優勢?
您能否舉出光耦合器的若干實際應用?
答案可以在 學子專區 部落格上找到。
 

電子郵件:look@compotechasia.com

聯繫電話:886-2-27201789       分機請撥:11