當前位置: 主頁 > 技術&應用 >
 

學子專區—ADALM2000實驗:數位類比轉換

本文作者:Andreea Pop       點擊: 2022-09-23 14:10
前言:
作者:系統設計⁄架構工程師Andreea Pop, 系統應用工程師Antoniu Miclaus, 及顧問研究員Doug Mercer
R-2R梯形電阻數位類比轉換器(DAC)
 
目標
本實驗的目標是探討數位類比轉換的概念,將CMOS反相器用於梯形電阻分壓器的基準開關(用於DAC中)。
 
背景資訊
我們將簡單的CMOS反相器邏輯門用於一對開關。 ADALM2000 的標準CMOS分壓器(推挽模式)。採用最簡單的形式,CMOS輸出可以由一個PMOS元件M1和一個NMOS元件M2組成。通常,CMOS製程經過特別設計,使得NMOS和PMOS元件的閾值電壓VTH大致相等——即互補。然後,反相器的設計人員調整NMOS和PMOS元件的寬長比W/L,使其各自的跨導和RON也相等。兩個電晶體中,只有一個處於導通狀態,同時將輸出端連接到VDDVSS。我們可以考慮將此兩個電壓用於DAC的基準電壓源。 
圖1.CMOS輸出驅動器。

在 「電壓模式」中使用R-2R梯形電阻(如圖2所示),根據數位碼交替驅動到兩個基準電壓位準中的任一個(D0-7)。數位0表示VREF,數位1表示VREF+。根據數位輸入碼,VLADDER(圖2)將在兩個基準位準之間變化。兩個基準電壓的負基準電壓(VREF)通常為地電壓(VSS)。在本例中,我們將正基準電壓(VREF+)設置為CMOS驅動器的正電源電壓(VDD)。
 
材料
ADALM2000主動學習模組
無焊麵包板
跳線
9個20 kΩ電阻
9個10 kΩ電阻
一個 OP27 放大器
說明
最好在無焊試驗板上建構圖2所示的8位元梯形電阻電路。模擬零件套件(ADALP2000)中提供的電阻數量通常不足以建構完整的8位元梯形電阻。如果可以獲得這些電阻,此項目最好使用1%的電阻。
 
將用藍色框表示的8個數位輸出、示波器通道和用綠色框表示的AWG輸出連接到梯形電阻電路中,如圖所示。注意將電源連接到運算放大器電源接腳。
 
 圖2.R-2R梯形電阻網路電路
 
硬體設定
 
 圖3.R-2R梯形電阻網路電路試驗板連接
 
程式步驟
當安裝R1和R2時,設定AWG1的直流電壓與DAC的VREF+相等,即等於CMOS數位輸出的3.3 V電源電壓。此時輸出電壓為雙極性,其擺幅為-3.3 V至+3.3 V。斷開AWG1並移除電阻R1,輸出電壓為單極性,擺幅為0 V至+3.3 V。啟動Scopy軟體。打開模式產生器介面。選擇DIO0至DIO7,並組成一個分組。設定參數,將模式設定為二進位計數器。輸出設定為推挽輸出(PP),頻率設定為256 kHz。此時能看到類似圖4所示的內容。最後,點擊運行按鈕。
 
圖4.模式產生器介面。

打開示波器介面,開啟通道2,並將時基設定為200μs/div,點擊綠色運行按鈕開始運行。有時可能還需要調整通道的垂直範圍(初始條件下,1 V/div比較合適)。透過示波器介面能看到(如圖4所示)電壓從0 V上升到3.3 V,斜坡訊號的週期應為1 ms。
 
圖5.示波器介面。
 
改變數位模式。嘗試隨機模式,並打開示波器上的FFT視窗。您還可以透過生成具有一列0到255(對於8位元寬匯流排)數位的純文字.csv檔,來載入自訂模式。載入自訂模式,看看會出現什麼情況。
 
您可以嘗試載入以下這些預製波形檔:正弦、三角、高斯脈衝等:waveforms_pg。
 
AD5626 12位元 nanoDAC
 
背景資訊
AD5626 為一款可以使用5 V單電源供電的電壓輸出DAC。其整合DAC、輸入移位暫存器和鎖存、基準電壓源以及一個軌對軌輸出放大器。輸出放大器擺幅可達到任一供電軌,且設定範圍為0 V至4.095 V,解析度為每位元1 mV。該元件採用高速、三線式、相容資料登錄(SDIN)的DSP、時脈(SCLK)和負載選通(LDAC)的串線介面。其還有晶片選擇接腳,可連接多個DAC。上電時或用戶要求時,CLR輸入可將輸出設定為零位準。
 
圖6.AD5626的簡化功能框圖。
 
除1位DAC暫存器外,AD5626還有一個獨立的串列輸入暫存器,新資料值可以預載到該串列暫存器中,而不會干擾現有DAC輸出電壓。透過選通LDAC接腳,可以將載入值傳輸到DAC暫存器。
 
單極性輸出操作
此種操作模式是AD5626的基本模式。您可以根據DAC的單極性代碼表驗證AD5626的功能是否正常。
 
表1.AD5626的單極性代碼表

DAC暫存器中的十六進位數

DAC暫存器中的十進位數字

類比輸出電壓(V)

FFF

4095

4.095

801

2049

2.049

800

2048

2.048

7FF

2047

2.047

000

0

0

 
材料
ADALM2000主動學習模組
無焊麵包板
跳線
一個AD5626 12位 nanoDAC®
一個2.2 kΩ電阻
一個0.001 μF電容
一個0.1 μF電容
一個10 μF電容
 
硬體設定
如圖7所示連接AD5626的接腳。
 
 圖7.AD5626實現單極性操作的連接。
 
程式步驟
打開Scopy,使能正電源為5 V。在模式產生器中,根據數據手冊中AD5626的時序圖配置DAC輸入訊號。從配置SPI訊號開始。使用DIO0、DIO1和DIO2創建通道組。如果連接如圖7所示,則DIO1表示時脈訊號,DIO2表示資料訊號,DIO0表示CS訊號。在進行SPI分組時,確保數位通道的順序是正確的(參見圖10)。數據手冊中表示,高位準和低位準狀態下的時脈寬度應達到至少30 ns。由此可計算時脈週期,進而計算最大頻率。將時脈頻率設為1 MHz。將CLK極性和CLK相位設為1。
 
由於AD5626是12位元DAC,因此透過SPI發送的資料長度應至少為12位元。將每幀的位元組數設為2,在轉換開始時,其會發送16位元。在資料文字方塊中,您可以輸入將發送至DAC的值。SPI組通道的訊號應類似於AD5626 DAC的時序圖。
 
 圖8.AD5626試驗板連接。
 
圖9.AD5626 SPI時序圖。

現在,您應該配置LDAC和CLR訊號。從數據手冊中,我們得知在CLR處於高位準時,移位暫存器的內容會在LDAC的上升沿更新。將DIO4 (CLR)的模式設定為「數值」,輸入數值1。只要位元是序列傳輸,LDAC訊號(DIO3)的CS降緣之前應該有一個升緣,且應處於高位準。為了滿足上述條件,DIO3訊號可以設定為採用13 kHz頻率和160°相位。AD5626數位類比轉換所需的所有輸入訊號如圖9所示。
 
圖10.模式產生器訊號設定。

最後一步是在Scopy中打開示波器,將通道1連接到AD5626的輸出端。啟用通道1測量,並在SPI的「資料」區域輸入一個值。如果透過SPI發送的資料為7FF,在圖11中,您可以查看相應的輸出電壓。
 
 圖11.輸入為7FF時,AD5626的輸出電壓。
 
雙極性輸出操作
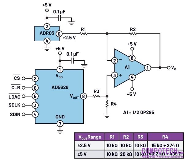
雖然AD5626設計用於單電源操作,但使用圖12所示的電路也可以實現雙極性操作。
 
 圖12.雙極性輸出操作,未經調節(數據手冊中建議的電路)。

此電路可用於不需要高精度的應用。輸出電壓以偏移二進位格式編碼,由以下公式提供:
 
 
在輸出範圍為±5 V,採用圖12中的表所示的電路值時,轉換公式變為:
 
 
材料
ADALM2000主動學習模組
無焊麵包板
跳線
一個AD5626 12位元 nanoDAC
一個 OP484 運算放大器
一個0.1 μF電容
一個1 kΩ電阻
一個20 kΩ電阻
兩個10 kΩ電阻
一個47 kΩ電阻
一個470 kΩ電阻
 
 圖13.AD5626雙極性輸出操作試驗板連接
 
硬體設定
在無焊試驗板上建構圖12所示的電路。
 
程式步驟
您可以將DAC配置為單極性輸出操作,如圖7所示。對於基準電壓,使用訊號產生器的通道1,設定為恆定2.5 V。在示波器的第二個通道上,可顯示運算放大器輸出端的電壓。您可以在示波器上同時顯示單極性操作和雙極性操作的電壓。
 
 圖14.000輸入的單極性和雙極性輸出電壓。

 圖15.800輸入的單極性和雙極性輸出電壓。 圖16.FFF輸入的單極性和雙極性輸出電壓。
 
問題:
1. 使用歐姆定律和並聯電阻公式,當輸入D7和D6連接到接地和3.3 V的每個組合時,R-2R DAC的輸出電壓是多少?請將結果以表格形式呈現。
 
答案可以在 學子專區 部落格上找到。
 
 
 

電子郵件:look@compotechasia.com

聯繫電話:886-2-27201789       分機請撥:11