當前位置: 主頁 > 技術&應用 >
 

學子專區—ADALM2000實驗:CMOS類比開關

本文作者:Antoniu Miclaus       點擊: 2022-05-24 12:52
前言:
作者:ADI顧問研究員Antoniu Miclaus 和系統應用工程師 Doug Mercer
目標
本練習的目的是探討將互補型MOS晶體管用於類比電壓開關。
 
概念
理想的類比開關不存在導通電阻,具有無窮大的關斷阻抗和零延時,可以處理大訊號和共模電壓。實際使用MOS電晶體建構的類比開關並不符合這些要求,但是如果我們瞭解類比開關的侷限性,多數也是可以克服的。導通電阻是其中一項侷限因素,本實驗活動將嘗試表徵此開關規格。
 
材料
ADALM2000 主動學習模組
無焊麵包板
跳接線
一個CD4007 CMOS電晶體陣列
兩個NPN電晶體(2N3904或等效元件)
一個4.7 kΩ電阻
 
圖1.CD4007 CMOS電晶體陣列接腳排列。
 
NMOS說明
建構圖2所示的測試電路。藍色框表示與ADALM2000上的連接器相連。NMOS和PMOS元件M1及M2均包含在CD4007封裝陣列中。所有未使用的接腳可浮空。要測量MOS電晶體的導通電阻(RON),我們首先需要讓已知電流流經電阻,然後測量電阻兩端的電壓。兩個NPN元件Q1和Q2以及電阻R1將構成電流源,輸出電流約為1 mA。此電流的確切大小並不重要,因為源極/漏極上的電壓在正負電源範圍內變動,我們主要關注MOS元件的RON變化。
 
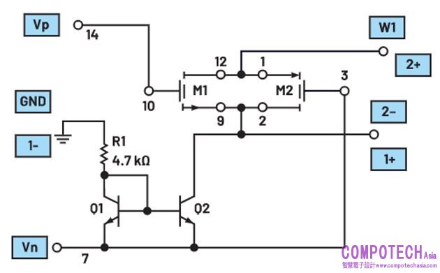
在第一個測試中,只有NMOS元件M1導通,PMOS元件M2關斷。
 
圖2.NMOS RON測試電路。
 
硬體設定
 
將圖2所示電路連接到麵包板。
 
 圖3.NMOS RON測試電路麵包板連接。
 
程式步驟
將波形產生器1配置為產生具有9 V峰對峰值幅度和500 mV失調的100 Hz三角波。這將使NMOS開關電晶體具有+5 V至-4 V的電壓擺幅。考慮到NPN電流源Q2,電壓擺幅範圍不能到-5 V。確保先打開外部用戶電源(Vp和Vn),然後運行波形產生器。在XY模式下配置示波器介面,X軸上為通道1,Y軸上為通道2(開關上的電壓)。使用數學函數計算電阻(C2 / 1 mA)。注意:可透過測量R1兩端的電壓及其實際電阻來獲取更精準的電流源估算值。
 
配置示波器以擷取所測量的兩個訊號的多個週期。使用Scopy的XY波形示例如圖4所示。
 
圖4.NMOS RON XY跡線。 XY trace.
 
PMOS說明
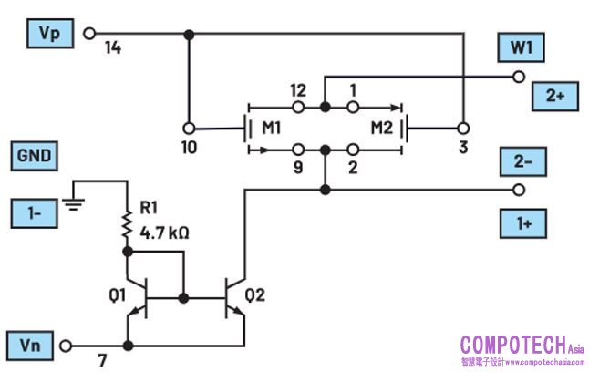
現在,將M1和M2的閘極均連接到負電源Vn,將電路修改為如圖5所示。在第二個測試中,只有PMOS元件M2導通,NMOS元件M1關斷。
 
 圖5.PMOS RON測試電路。
 
硬體設定
 
將圖5所示電路連接到麵包板。
 
 圖6.PMOS RON測試電路麵包板連接。
 
程式步驟
重複前面部分中的電壓掃描,並且僅繪製PMOS電晶體的導通電阻變化圖。
 
配置示波器以擷取所測量的兩個訊號的多個週期。使用Scopy的XY波形示例如圖7所示。
 
圖7.PMOS RON XY跡線。
 
CMOS說明
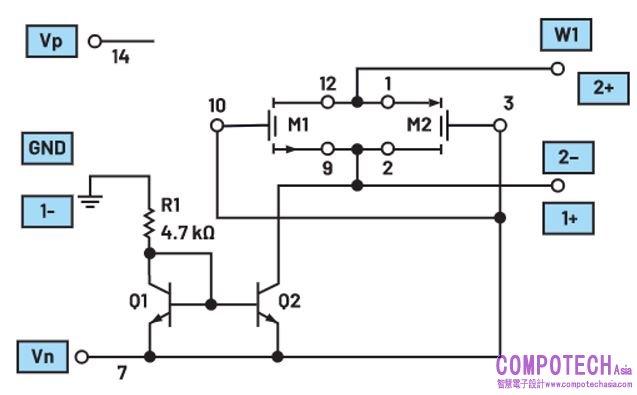
現在,將M1的閘極連接到正電源Vp,將M2的閘極連接到負電源Vn,將電路修改為如圖8所示。在最後一個測試中,NMOS元件M1和PMOS元件M2均導通。
 
圖8.CMOS RON測試電路。
 
硬體設定
 
將圖8所示電路連接到麵包板。
 
 圖9.CMOS RON測試電路麵包板連接。
 
程式步驟
重複前面部分中的電壓掃描,並繪製NMOS和PMOS電晶體組合的導通電阻變化圖。
 
配置示波器以擷取所測量的兩個訊號的多個週期。使用Scopy的XY波形示例如圖10所示。
 
圖10.CMOS RON XY跡線。
 
問題:
對於圖2中的電路,NMOS元件關斷時的電壓為多少?
對於圖2中的電路,當NMOS電晶體關斷時,漏源電壓會怎樣?
對於圖5中的電路,PMOS元件關斷時的電壓為多少?
對於圖5中的電路,當PMOS電晶體關斷時,源漏電壓會怎樣?
 
您可以在 學子專區 部落格上找到問題答案。
 

電子郵件:look@compotechasia.com

聯繫電話:886-2-27201789       分機請撥:11