當前位置: 主頁 > 技術&應用 >
 

高度可配置的60 V至0.8 V多輸出級聯降壓轉換器

本文作者:Mike Shriver       點擊: 2021-06-22 22:03
前言:
 
簡介
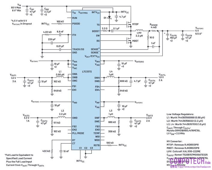
LTC3372是一款高度整合的DC-DC轉換器解決方案,適合汽車、電信、工業以及其他需要從高達60 V的輸入電壓獲得多個低電壓軌的應用。LTC3372包含高壓和低壓轉換器系統,採用散熱增強型48接腳7 mm × 7 mm封裝。高壓(HV)降壓控制器可從高達60 V的輸入電壓降至接腳編程的5 V或3.3 V。然後,利用該5 V或3.3 V輸出為LTC3372的可配置、多輸出、多相低壓(LV)單晶片降壓穩壓器供電。
 
LTC3372的低壓部分由8個1 A可並聯功率級組成。這些功率級可採用多種方式配置,以提供2、3或4個通道,根據每個通道的負載要求,每個通道可包含1至4個功率級。如圖1所示,透過設定C3、C2和C1的位元,可實現多達8種不同的配置。因此設計人員可將一款IC彈性用於多種設計,大幅減少外部元件數量,同時縮小整體尺寸。此外,每個通道的輸出可在0.8 V至LV IN 範圍內進行設定。切換頻率範圍為1 MHz至3 MHz。 
圖1. LTC3372轉換器方框圖。
 
高壓控制器驅動外部N通道MOSFET,支援4.5 V至60 V工作輸入電壓範圍。根據元件選型和佈局,HV轉換器可支援超過20 A的負載電流。除了基於HV輸出的系統負載,這足以滿足LV穩壓器的需求。由於僅HV控制器開啟並提供5 V電壓,因此無負載突發工作模式® I Q 為15 μA,可在輕負載下實現高效率。內部時脈分頻器將HV轉換器的切換頻率設定為LV頻率的1 / 6 。
 
6 V至60 V輸入電壓的精巧型45 W、5輸出轉換器
圖1和圖2分別顯示基於LTC3372的解決方案方框圖和原理圖。其低壓穩壓器部分可在2 MHz切換頻率下,從高壓轉換器的5 V輸出 (標記為V OUT(HV) )提供1.0 V(3 A時)、3.3 V(1 A時)、1.8 V(2 A時)和2.5 V(2 A時)的輸出。在330 kHz切換頻率下,5 V 高壓軌為系統提供6.5 A電流,為低壓穩壓器的輸入提供3.5 A電流。高壓轉換器的輸入電壓範圍為6 V至60 V。該轉換器可透過多種電源供電,包括湧浪電壓高達60 V的12 V汽車電池、48 V電信或汽車電池或離線電源。低壓穩壓器提供高整合度和2 MHz切換頻率,因此該解決方案尺寸僅為2.2平方英寸。
 
圖2. 低壓穩壓器針對ABC-D-EF-GH配置進行設定的LTC3372轉換器。其方框圖如圖1所示。
 
如圖1和圖2所示,透過將接腳C3和C2設定為低位準,將接腳C1設定為高位準,並將相應的SW節點連接在一起,低壓穩壓器可針對ABC-D-EF-GH配置進行設定。透過並聯充足的1 A功率級來滿足最大負載要求(但不超過此負載要求),在大約50%負載(典型的持續負載)時可達到效率峰值。如果增加更多級,滿載效率提高,但在中等負載時效率會降低。例如,如果1.8 V/2 A低壓軌由4個(而不是2個)並聯功率級建構,則對於FCM中50%或更低負載的情況,效率將會更低,參見圖3。選擇突發工作模式時,在較大負載範圍內均具有高效率。對於1 mA及更高的負載電流,1.8 V/2 A軌的效率為82.2%或更高。
 
圖3. 圖2中低壓穩壓器的效率。
 
當輸入電壓為12 V時,LTC3372高壓部分強大的閘極驅動器為5 V高壓軌提供94.6%的滿載效率,當輸入電壓為48 V時,提供90.9%的滿載效率,參見圖4。選擇突發工作模式時,對於1 mA負載電流和12 V輸入電壓,效率為90.1%。
 
圖4. 圖2中高壓轉換器的效率。
 
採用小型封裝實現高整合度
LTC3372採用散熱增強型48接腳7 mm × 7 mm封裝。LTC3372的其他特性包括:PLL/MODE接腳,用於將控制器與外部時脈同步,或編程設定輕負載工作模式,即強制連續模式、突發工作模式或斷續模式(僅高壓),看門狗輸入和輸出,用於監控晶片溫度的TEMP接腳,高壓轉換器的PGOOD接腳,低壓穩壓器的RSTB接腳等等。
 
結論
LTC3372為設計人員提供了一種高度整合的彈性解決方案,用於從高輸入電壓提供多個輸出。其高壓轉換器可從高達60 V的輸入電壓提供5 V或3.3 V輸出。透過該中間電壓軌,單晶片低壓穩壓器可提供多達4個輸出,最大輸出電流範圍為1 A至4 A,電壓低至0.8 V。
 

 

電子郵件:look@compotechasia.com

聯繫電話:886-2-27201789       分機請撥:11