當前位置: 主頁 > 技術&應用 >
 

具有保護功能、適用於程序控制類比輸出的精密、穩健解決方案

本文作者:David Forde       點擊: 2021-06-15 11:15
前言:
作者:ADI應用工程師David Forde, 行銷工程師Claire Croke, 及程序控制和自動化策略行銷經理Jean McAdam
工業過程需要對執行器進行精準而穩健的控制,以便管理流量、溫度和壓力等過程參數。精密類比輸出模組,即所謂可編程邏輯控制器(PLC)或分散式控制系統(DCS),可產生用於控制此類執行器的電壓或電流輸出。這些模組需要在惡劣的工業環境中提供穩定、可靠、精準的輸出。
 
ADI的單通道16位元I/V輸出DAC AD5423 和過壓保護SPST切換 ADG5401F 的組合,符合此類控制需求,能夠滿足類比輸出模組的要求。
精密
 
精密是AD5423的一個主要特性。在電壓輸出模式下,25°C時的TUE低至±0.01%(整個溫度範圍為±0.05%),典型輸出漂移為0.35 ppm FSR/°C。在電流輸出模式下,25°C時的TUE也是±0.01%,典型輸出漂移為2 ppm FSR/°C。所有輸出模式下的差分非線性(DNL)為±1 LSB,保證單調性。
 
精密切換ADG5401F的導通電阻(RO )為6Ω,整合了輔助回饋通道,用於將通道IOUT /VOUT 連接至AD5423的+VSENSE 輸入,這樣就消除了任何與ADG5401F導通電阻變化相關的誤差。ADG5401F在整個溫度範圍內的最大導通漏電流為40 nA。對於16位4 mA至20 mA電流輸出DAC,此漏電流不足1 LSB,輸出訊號鏈的精度不受影響,動態範圍可最大化。
 
穩健
ADG5401F過壓保護SPST切換用在AD5423 DAC的類比輸出上,在通電和無電狀態下均能提供過壓保護。ADG5401F的源極(S)和源回饋(SFB)接腳可承受最高±60 V的過壓。這將保護精密類比輸出節點不會因為系統掉電、接線錯誤、電源時序等問題而損壞。圖1詳細顯示了類比輸出模組中應如何連接AD5423和ADG5401F。 
圖 1. AD5423 和 ADG5401F 配置。
 
ADG5401F電源設定過壓故障閾值,如果源極接腳(S或SFB)上的電壓超過ADG5401F電源電壓,則認為發生故障,主切換通道和輔助回饋通道將自動斷開。
 
當切換通道在故障期間斷開時,任何大的故障電流都會被禁止流回DAC輸出和系統電源。在過壓事件期間沒有大的故障電流流動,因此系統功耗不再受故障功耗約束,系統電源所需的設計工作量得以減少。ADG5401F允許系統移除輸出信號路徑中的限流電阻,該電阻在某些應用中可能引起負載餘裕問題。
 
ADG5401F整合一個防開迴路開關。如果VOUT /IOUT 節點遭受過壓訊號,ADG5401F將啟動過壓保護模式,主通道和輔助回饋通道開關均會斷開。與此同時,內部防開迴路開關(D和DFB之間的內部連接)將閉合。該防開迴路開關使DAC輸出回饋迴路保持完整,並防止DAC將輸出箝位到電源軌。
 
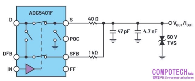
為實現高壓瞬變保護,例如IEC 61000-4-2 ESD、IEC 61000-4-4電快速瞬變脈衝群(EFT)和IEC 61000-4-5浪湧,應使用分立電阻和瞬變電壓抑制(TVS)元件建置類似圖2所示的電路。將電阻放在系統的回饋迴路內,使電阻不會給系統輸出增加任何誤差。
 
圖 2. ADG5401F 電路圖。
 
圖 3. AD5423 功能框圖。
表1. 高壓瞬變保護

IEC 61000-4 瞬變

保護級別(kV)

ESD (接觸)

±6

EFT

±4

浪湧

±4

 
診斷
AD5423內建一個12位元內部診斷ADC,可以提供關於用戶可選輸入(例如電源、地、內部晶片溫度和基準電壓源)的診斷資訊。
 
晶片內診斷暫存器包含用於指示各種故障情況的標誌,以及因為任何故障而觸發的FAULT接腳。電壓輸出模式下會監視短路檢測,電流輸出模式下會監視開路檢測。AD5423並提供迴圈冗餘校驗(CRC),可對接收到的資料進行校驗;如果目前資料封包看起來不正確,則觸發FAULT接腳。它還提供溫度監控功能,如果晶片溫度超過設定的限值,就會記錄故障。
 
結論
AD5423和ADG5401F相互配合,共同提供工業過程應用所需的精密性和穩健性。AD5423的16位元I/V輸出可提供現代類比輸出模組所需的精準控制訊號,而ADG5401F則能保持該精度,並在惡劣環境中提供強大的保護以防止外部影響造成系統失效或者精度降低。
 
 
 

電子郵件:look@compotechasia.com

聯繫電話:886-2-27201789       分機請撥:11