當前位置: 主頁 > 技術&應用 >
 

具有集成式驅動器和自我保護功能的GaN FET如何實現下一代工業電源設計

本文作者:德州儀器       點擊: 2020-12-15 12:51
前言:
氮化鎵(GaN)半導體的物理特性與矽器件不相上下。傳統的電源供應器金屬氧化物半導體場效應電晶體(MOSFET)和絕緣柵極雙極電晶體(IGBT)只有在犧牲效率、外形尺寸和散熱的前提下才能提高功率密度。
 
使用GaN則可以更快地處理電源電子器件並更有效地為越來越多的高壓應用提供功率。GaN更優的開關能力意味著它可以用更少的器件更有效地轉換更高水準的功率,如圖1所示。GaN半導體能夠在交流/直流供電應用,實現新型電源和轉換系統。(例如,5G通信電源整流器和伺服器計算)GaN不斷突破新應用的界限,並開始取代汽車、工業和可再生能源市場中傳統矽基電源解決方案。
 
圖1:矽設計與GaN設計的磁性元件功率密度對比
 
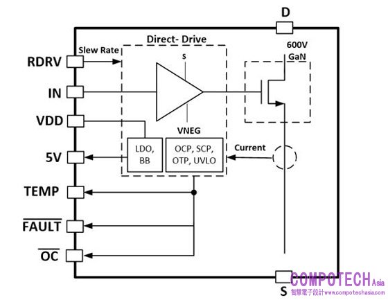
GaN FET:新的集成系統
大型資料中心、企業伺服器和通信交換中心會消耗大量電能。在這些電源系統中,FET通常與柵極驅動器分開封裝,因為它們使用不同的工藝技術,並且最終會產生額外的寄生電感。
 
除了導致較大的形狀尺寸外,這還可能限制GaN在高壓擺率下的開關性能。另一方面,具有集成式柵極驅動器的TI GaN FET(例如LMG3425R030)憑藉150V/ns的壓擺率可更大程度降低寄生電感,與分立式GaN相比,其損耗降低了66%,並更大程度地降低了電磁干擾。圖2顯示了具有集成式柵極驅動器的TI GaN FET。
 
圖2:具有柵極驅動器和短路保護功能的600V GaN FET的集成
 
在資料中心和伺服器場中,TI的新型GaN FET使得拓撲結構更簡單(例如圖騰柱功率因數校正),從而降低了轉換損耗,簡化了散熱設計並縮小了散熱器的尺寸。與相同尺寸的1U機架式伺服器中的矽MOSFET相比,這些器件可實現兩倍的功率密度和99%的效率。在考慮長期影響時,這種功率密度和效率節省變得尤為重要。例如,假設一個伺服器場通過安裝GaN器件每月提高3%的交流/直流效率。如果該伺服器場每天轉換30kW的功率,那麼他們每月將節省超過27kW,約為每月2,000美元,每年24,000美元。
 
當GaN FET與限流和過熱檢測功能集成時,它可以防止擊穿和熱失控事件。此外,系統介面信號可實現自我監測功能。
 
可靠性是電源電子器件中的關鍵因素。因此,與傳統的級聯以及獨立GaN FET相比,高度集成的GaN器件可以通過集成功能和保護功能來更有效地提高可靠性並優化高壓電源的性能。
 
使用外部驅動器,寄生電感會導致開關損耗以及高GaN頻率下的振鈴和可靠性問題。共源電感大大增加了導通損耗。同樣,在高壓擺率下設計穩健過流保護電路既困難又昂貴。但是,由於GaN本身缺乏體二極體,因此可減少開關節點上的振鈴,並消除任何反向恢復損耗。
 
具有保護功能的GaN器件
GaN器件的結構與矽器件截然不同。儘管它們可以更迅捷地開關,但是從性能和可靠性的角度來看,仍然面臨獨特的難題。使用分立式GaN器件時,還存在設計簡便性和物料清單成本之類的問題。
 
全新的工業600V GaN器件系列在30-50mΩ功率級集成了GaN FET、驅動器和保護功能,可為100-10kW的應用提供單晶片解決方案。LMG3422R030、LMG3425R030、LMG3422R050和LMG3425R050GaN器件面向高功率密度和高效率應用。
 
與矽MOSFET不同,GaN可以“類二極體”的方式在第三象限導通,並通過減小電壓降盡可能減少死區時間。TI在LMG3425R030和LMG3425R050中的理想二極體模式進一步降低了供電應用中的損耗。請閱讀應用手冊《使用理想二極體模式優化GaN性能》瞭解更多資訊。
 
這些GaN器件已通過了4,000萬小時的器件可靠性測試,包括加速開關測試和應用內硬開關測試。這些可靠性測試均在最大功率、電壓和溫度環境下的高度加速開關條件下進行。
 
結論
開關電源的設計人員一直在努力提高功率密度和效率。矽MOSFET和IGBT的功率密度和效率較低,碳化矽(SiC)器件的功率密度和效率更高,但成本也更高。
 
GaN器件使解決方案能夠獲得優質超結FET兩倍的功率密度。同樣,它們促進了80Plus Titanium等標準認證,這些標準要求伺服器和通信應用具有非常高的電源效率。
 
儘管GaN是電源電子器件領域的一項革命性技術,但仍需要仔細的工藝和材料工程。這要求構建高品質GaN晶體,優化電介質膜並在製造工藝中確保非常乾淨的介面。除此之外,必須進行熟練的測試和封裝。
 

電子郵件:look@compotechasia.com

聯繫電話:886-2-27201789       分機請撥:11