當前位置: 主頁 > 技術&應用 >
 

低電壓電池監視器跨入高電壓電動車

本文作者:Christopher Gobok       點擊: 2020-11-20 11:17
前言:
從80個國家的WITSA全球網絡中脫穎而出 展現台灣ICT領導、創新地位
電動車的態勢
如果你還沒開電動車(EV) – 包括油電混合動力車(HEV)、插電式混合動力車(PHEV)、或全電動車 – 很可能不久之後,你就會換開電動車。對於行駛距離受限的憂慮,如今已成過往雲煙。現在你可以協助保護環境而不會陷入在路上拋錨的窘境。全球各地政府提供優厚的獎勵方案,補貼電動車已超出一般車款的高價,希望車主棄購內燃機引擎(ICE)車款。有些政府甚至著手強制車廠製造與銷售電動車,希望電動車最終能主宰市場,另外還有一些政府訂定明確章程,例如德國當局已經明定從2030年起禁售內燃機引擎車種。
 
在這樣的汽車歷史下,各界的創新一直專注在改進內燃引擎的燃油燃燒效率、減少排污,以及提供舒適使用者經驗。然而,內燃機引擎車款近期大多數的創新卻都直接源自電子科技演進的結果 – 包括底盤系統、動力傳輸總成、自主與先進駕駛輔助系統(ADAS)、資訊娛樂、以及安全系統等領域。電動車搭載的某些電子系統和內燃機引擎車款相同,此外,當然兩者的動力傳輸總成也可通用。根據Micron Technology發表的訊息,電動車的電子部分在全車價值的比重高達75%,這個比重還隨著半導體技術的演進提高攀升,並且帶動各種電子模組與子系統的成本持續壓低。就連以往未涉足汽車領域的廠商,像是英特爾,也都希望跨入電動車領域。
 
電動車內搭載的所有電子系統,其涉及到的製造商還有消費者都關心電動車的心臟,也就是電池系統。電池系統包含可充式電池本身,當前的業界標準為鋰離子(Li-Ion)電池; 另外還有電池管理系統(BMS)負責提高電池的使用率與安全性。Analog Devices旗下的BMS解決方案是監視上述元件的標準。ADI的LTC2949 電動車電池組監視器則是智慧型BMS IC的最新成員,這些IC專責於提升下一代電動車BMS設計的成果。
 
BMS 監視
BMS的主要功能是監視電池或電動車內大量電池組的狀態。BMS通常會監視單顆電池或整個電池組的電壓、電流、溫度、荷電狀態(SOC)、健康狀態(SOH)、以及其他相關功能,像是冷卻液的流動狀況等。除了BMS帶來安全與效能方面的顯著利益,精準監視這些參數通常也會轉化成更良好的駕駛體驗,因為駕駛人能掌握電池的各項即時狀況。
 
類似新款LTC2949電池組監視器這類BMS量測電路若要發揮效率,就必須精準且快速地執行高共模電壓拒斥、壓低耗用電流、以及與其他元件安全通訊。其他電動車BMS負責的任務還包括把能源回收到電池組(亦即再生煞車)、平衡各顆電池電力、保護電池組避免達到危險的電壓/電流/溫度、以及與其他子系統進行通訊(像是充電器、負載、溫度管理、以及緊急關機等)
 
當前車廠採用多種BMS監視電路拓撲來因應在精準度、可靠度、易於製造、成本、以及功耗方面的要求。舉例來說,圖1所示的分散式拓撲強調高精準度,採用本地智慧型高可製造性元件,用在串聯式電池組,並透過低功耗SPI與isoSPI™介面進行跨IC通訊,藉以降低功耗與提高可靠度。
 
在這裡LTC2949用在低側電流感測組態,而isoSPI通訊線路則與底部的LTC6811-1 電池監視器並行。為提高可靠度,因此採用雙通訊機制,將第二個isoSPI收發器連到頂部的電池組,組成一個能雙向通訊的環型拓撲。另外,和SPI 主控端控制器之間的隔離式通訊,則是利用LTC6820 isoSPI-to-SPI訊號轉換器進行實作。 Analog Devices旗下的可堆疊LTC681x 系列多單元電池監視器能用來量測6、12、15、或18個串聯電池組的個別電壓,而單一LTC2949則能用來量測整個堆疊的參數。LTC681x 與LTC2949構成一個功能完備的電動車BMS監視解決方案 – 對某些業者而言,這個元件較常用的名稱是BMS的類比前端(AFE)。
  
 
圖1. 使用LTC6811-1s 以及LTC2949的分散式電動車BMS監視電路拓撲
 
LTC2949是一款高精準電流、電壓、溫度、電荷、功率、以及能源量測元件,專為電動車量身設計。藉由量測這些關鍵參數,系統研發業者即掌握計算即時SOC與SOH的能力,還能量測整個電池組的其他品質因素。圖2顯示在高側電流感測組態中LTC2949的模塊圖。這裡的LTC2949採用一種可調整浮動拓撲,讓它能監視極高電壓的電池組,不受本身14.5伏額定電壓的約束。LTC2949的供電是透過一個LT8301 隔離式返馳轉換器,並透過VCC 連到電池正極端子。
 
領先類比性能
駕駛人會欣賞LTC2949的數位輸出性能與精準度,而系統開發業者則會感謝LTC2949的類比效能,以及它能夠無縫整合到任何電動車的BMS系統。LTC2949的核心是5個軌對軌、低偏移、sigma-delta (Σ-Δ)類比數位轉換器,用來確保精準的電壓量測機制。在5個ADC中,有2個20位元 ADC用來對2個感測暫存器(如圖2所示)量測電壓,以及量測經過兩個供電軌的電流,量測精準度達到令人印象深刻的0.3%。LTC2949的偏移低於1 µV,並能提供卓越的高動態範圍。類似的狀況,整個電池堆疊的電壓量測可達到18 位元解析度以及0.4%的精準度。另外2個專屬的電源ADC用來感測分路以及電池堆疊的電壓輸入,能產生精準度達0.9%的電源讀數。最後一個15位元 ADC則用來量測12個輔助電壓 – 方便搭配外部溫度感測器或電阻分壓器。使用內建多工器,LTC2949即可執行差分式軌對軌電壓量測,對任何12個緩衝輸入量測其電壓,可達到0.4%的精準度。
 
為簡化設定流程,我們可用LTC2949的5個ADC可構成3個資料擷取通道。每個通道可設定成兩種速度的其中一種,依據應用的需要加以設定,如表1所示。舉例來說,可用兩個通道來監視單一分路暫存器:其中一個通道用在慢速(100 毫秒)高精準電流、功率、電荷、以及能源量測,另一個則用在快速(782 微秒)的電流快照量測,之後再和電池組電壓量測進行同步,即可用在追蹤阻抗或預充電的量測。另一方面,兩個不同字組大小的分路暫存器分別由兩個通道進行監視(如圖2所示),讓使用者能針對每個分路在精準度與功率損失之間找到最好的平衡點。在此同時,第三個輔助通道可用來快速量測可自選緩衝輸入或自動循環對比(RR)量測,對兩個可設定輸入、堆疊電壓、晶粒溫度、供電電壓、以及參考電壓進行量測。
 
 表1. LTC2949三個資料擷取通道的組態選項
 

 

通道

組態

單分路

雙分路

1

2

輔助

RR/fast

RR/fast

RR/fast

 
當LTC2949三個資料擷取通道的任何一個被設定成快速模式(782 微秒的轉換時間與15位元解析度),LTC2949就能對將電池堆疊電壓與電流量測讀數,與任何LTC681x多單元電池監視器的電池電壓量測讀數進行同步化,藉以推測出個別電池的阻抗、已使用時間、以及健康狀態。根據這項資訊即可推測出堆疊電池的壽命,因為最弱電池最終會決定整個堆疊的健康狀態。
 
由於健康狀態(SOH)反映的是電池(或電池堆疊)在某個時間點的狀態,而其狀況的量測係針對新電池所進行,因此我們必須用精準的電動車BMS監視器,這樣做不僅會得到最大的行駛距離,還能將非預期電池故障次數減至最低。談到電池方面,LTC2949在啟動時僅耗用16毫安培的電流,在休眠模式下的消耗電流更只有8微安培。
 
數位領域的壓倒性優勢
LTC2949的數位功能特性,包括一個重複取樣乘法器與累加器,能產生18位元格式的功率數值,以及48位元格式的能源與電荷數值 – 通報最低與最大值,以及根據使用者定義的極限門檻適時發出警訊。這樣的設計能減輕BMS控制器以及匯流排的負荷,不必持續對LTC2949進行輪詢以獲取電壓與電流資料,以及根據這些結果進行的計算。以重複取樣ADC的時脈率(預降頻濾波器)來擷取功率樣本,取代乘上平均值的作法,如此一來LTC2949即可在電流與電壓變量(variation)遠超出其轉換率的狀況下依然精準地量測,且訊號頻率可達到50 kHz。
  
 
圖2. LTC2949電動車浮充電池監視器在高側電流感測組態的典型電路耦合。LTC2949是透過LT8301返馳式元件來供電,VCC 連到電池正極端子。
 
由於LTC2949會追蹤電流、電壓、功率、溫度資料的最低/最大值,因為匯流排與主控端可將時脈週期騰挪到其他工作上,而不是用來持續輪詢LTC2949。除了偵測與儲存最低/最大值外,LTC2949還能在出現超出使用者定義門檻的狀況時立即發送警訊 – 這又讓主控端控制器與匯流排能卸下持續輪詢的沉重負擔。此外,LTC2949還能在輸送出指定數量能源或電荷或是經過設定時間之後產生一個過流警訊。
 
為確保監視的精準度,LTC2949提供可編程的增益校正因素,用來補償量測元件的容限 : 兩個給分路暫存器,一個給電池電壓除頻器,四個給多工輸入端。這些校正因素能儲存在外部EEPROM,讓用戶以模組化方法對電池組進行出廠前校正。此外,LTC2949最多能為兩個外部NTC熱敏電阻針對其溫度讀數加以線性化,方法是用可設定係數去解算斯坦哈特-哈特(Steinhart-Hart)公式; 這些讀數可用來對分路暫存器讀數進行自動溫度補償。藉由持續補償容限與溫度效應,不僅能提高監視的精準度,還能降低使用外部元件的成本。

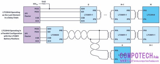
LTC2949上的標準SPI介面可用來直接連結MCU。ADI的專利isoSPI介面也納入到LTC2949。isoSPI是衍生自標準晶片層級SPI的改良式實體層技術,原先的SPI已挖光低成本分散堆疊架構的所有潛力。專為高電壓與高雜訊系統設計的isoSPI提供安全且強固的資訊傳輸機制,在100公尺長的纜線上可達到1 Mbps的傳輸率,且只使用一條雙絞線與一個脈衝變壓器。此外,isoSPI也比其他機板內隔離解決方案更加低廉。圖3顯示LTC2949如何搭配運用isoSPI與LTC6811-1,作為菊鏈或並聯組態中的最後一個元件。
  
 
圖3. LTC2949 isoSPI 組態
 
總結
電動車已邁入主流,逐漸推進至大規模採納的轉折點。系統開發業者若想維持競爭力,就須關注電池與BMS技術的發展,因為它們會對終端使用者經驗產生深遠的影響。LTC2949—ADI旗下對BMS監視推出的最新利器 – 能輕鬆因應各種多重堆疊監視拓撲與組態。不論在任何電池與任何電流上,LTC2949都能建構出高效能、安全無虞、彈性化、可靠的電池管理系統。想要精準量測電池SOH與SOC,可透過精準的電流、電壓、功率、電源、電荷、溫度、以及時間等讀數立即完成。LTC2949的類比性能足以匹配數位輸出的高速處理效率。關鍵的最小值、最大值、以及警訊等數據,完成量測與計算後,再透過強固的isoSPI介面傳至LTC2949。這個模式可降低對主控端資源、匯流排設計與測試、以及軟體設計等方面的需求。數位方面的功能特色包括乘法器、累加器、最小/最大值暫存器、可設定警訊、以及外部元件耐溫/溫度補償機制。設計成能獨立運作或搭配任何LTC681x多單元(multicell)電池監視器的LTC2949不僅能因應下一代電動車BMS的關鍵需求,還符合嚴格的AEC-Q100指南以及ISO 26262安全標準的規範。
 




 

電子郵件:look@compotechasia.com

聯繫電話:886-2-27201789       分機請撥:11