當前位置: 主頁 > 技術&應用 >
 

提高電力線監控應用的系統級性能和可靠性

本文作者:Lluis Beltran Gil       點擊: 2020-09-09 14:22
前言:
 
背景知識
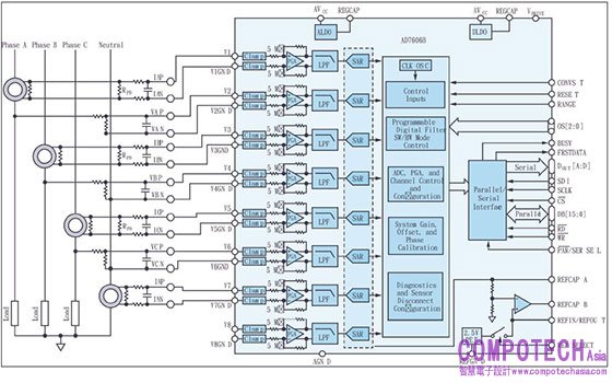
對於許多應用而言,監控電力線意味著使用電流互感器和電阻分壓網路,以便感測三相及零序的電流和電壓,如圖1 所示。AD7606B 具有高輸入阻抗,可以直接連接感測器,並且它提供了所需的全部內建輸入模組,從而簡化了資料獲取系統設計。

AD7606B 在晶片內整合8 個獨立的訊號鏈,即使採用5 V 單電源供電( 數位介面電壓Vdrive 不計),仍可接受±10 V 或±5 V 的真正雙極性類比輸入訊號。因此,無需使用外部驅動運算放大器和外部雙極性電源。
 
圖1: 典型的電力線監控應用中的AD7606B

電子郵件:look@compotechasia.com

聯繫電話:886-2-27201789       分機請撥:11