當前位置: 主頁 > 技術&應用 >
 

學子專區—ADALM2000實驗:共發射極放大器

本文作者:Doug Mercer,Antoniu       點擊: 2020-06-04 11:16
前言:
作者:作者簡介 AD I顧問Doug Mercer 及系統應用工程師Antoniu Miclaus

 目標
本活動的目的是研究BJT的共發射極配置。
 
背景知識
共發射極放大器是三種基本單級放大器拓撲之一。BJT共發射極放大器一般用作反相電壓放大器。電晶體的基極端為輸入,集電極端為輸出,而發射極為輸入和輸出共用(可連接至參考地端或電源軌),所謂“共射”即由此而來。
 
 材料
► ADALM2000主動學習模組
► 無焊麵包板
► 五個電阻
► 一個50 kΩ可變電阻、電位計
► 一個小訊號NPN電晶體(2N3904)
 
指導
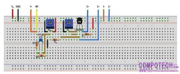
圖1所示配置展現了用作共發射極放大器的NPN電晶體。選擇適當的輸出負載電阻RL,用於產生合適的標稱集電極電流IC,VCE電壓約為VP (5 V)的一半。透過可調電阻RPOT與RB來設置電晶體(IB)的標稱偏置工作點,進而設定所需的IC。選擇適當的分壓器R1/R2,以便透過波形產生器W1提供足夠大的輸入激勵衰減。考慮到在電晶體VBE的基極上會出現非常小的訊號,這樣做更容易查看產生器W1訊號。衰減波形產生器W1訊號通過4.7 uF電容交流耦合到電晶體基極,以免干擾直流偏置條件。
 
圖1.共發射極放大器測試配置。
 
硬體設置
波形產生器輸出W1配置為1 kHz正弦波,峰峰值幅度為3 V,偏移為0 V。並將其連接在示波器通道1+上,以顯示產生器輸出的訊號W1。示波器通道2 (2+)用於交替測量Q1基極和集電極的波形。
 
圖2.共發射極放大器測試配置麵包板連接。
 
程式步驟
打開連接到BJT電晶體集電極(VP = 5 V)的電源。
配置示波器以捕獲多個週期的輸入訊號和輸出訊號。
圖3和圖4是使用LTspice® 得到的模擬電路波形圖示例。
 
圖3.共發射極放大器測試配置,VIN和VCE。
 
圖4.共發射極放大器測試配置,VIN和VBE。
 
共發射極放大器的電壓增益A可以表示為負載電阻RL與小訊號發射極電阻re的比值。電晶體的跨導gm是集電極電流IC和所謂的熱電壓kT/q的函數,在室溫下,其近似值約為25 mV或26 mV。
 
 
小訊號發射極電阻為1/gm且可視為與發射極串聯。現在,在基極上施加電壓訊號,相同的電流(忽略基極電流)會流入re和集電極負載RL。因此,由RL與re的比值可得到增益A。
 
 
圖5所示為另一種共發射極放大器測試電路方案。除了兩個小優勢之外,所有屬性基本相同。其中一個優勢是基極電流偏置不再取決於指數基極電壓(VBE)。第二個優勢是AWG1衰減後輸出的交流小訊號與基極偏置電路無關,並且無需交流耦合。當把交流小訊號接在運算放大器的同相端子時,由於負反饋的作用,它也會出現在電晶體的基極端(反相運算放大器輸入)。
 
圖5.替代方案的共發射極放大器測試配置。
 
圖6.替代方案的共發射極放大器測試配置麵包板連接。
 
圖7.替代方案的共發射極放大器測試配置,VIN和VBE。
 
圖8.替代方案的共發射極放大器測試配置VBE縮放。
 
提供負反饋 的自偏置配置
 
目標
本節旨在研究添加負反饋對穩定直流工作點的效果。電晶體電路最常用的一種偏置電路是發射極自偏置電路,它使用一個或多個偏置電阻來設置電晶體IB、IC和IE三個初始直流電流。
 
圖9.自偏置配置。
 
硬體設定
波形產生器輸出W1配置為1 kHz正弦波,峰對峰值幅度為3 V,偏移為0 V。並將其連接在示波器通道1+上,以顯示產生器輸出的訊號W1。示波器通道2 (2+)用於交替測量Q1基極和集電極的波形。
 
程式步驟
打開連接到BJT電晶體集電極(VP = 5 V)的電源。
配置示波器以捕獲多個週期的輸入訊號和輸出訊號。
圖11和圖12是使用LTspice® 得到的模擬電路波形圖示例。
 
圖10.自偏置配置麵包板連接。
 
圖11.自偏置配置,VIN和VCE。
 
圖12.自偏置配置,VIN和VBE。
 
添加發射極負反饋
 
目標
本活動的目的是研究添加發射極負反饋的影響。
 
背景知識
共發射極放大器為放大器提供反相輸出,具有極高增益,而且各電晶體之間的差異很大。此外,由於與溫度和偏置電流密切相關,增益有時無法預測。可以透過在放大器級配置一個小值回饋電阻來改善電路的性能。
 
附加材料
一個5 kΩ可變電阻、電位計
 
指導
如圖13所示,斷開Q1發射極的接地連接,插入RE(一個5 kΩ電位計)。調整RE,同時注意觀察電晶體集電極上的輸出訊號。
 
圖13.添加了發射極負反饋。
 
硬體設定
波形產生器輸出W1配置為1 kHz正弦波,峰對峰值幅度為3 V,偏移為0 V。並將其連在接示波器通道1+上,以顯示產生器輸出的訊號W1。示波器通道2 (2+)用於交替測量Q1基極和集電極的波形。
 
圖14.添加了發射極負反饋的麵包板連接。
 
程式步驟
打開連接到BJT電晶體集電極(VP = 5 V)的電源。
配置示波器以捕獲多個週期的輸入訊號和輸出訊號。
圖15和圖16是使用LTspice® 得到的模擬電路波形圖示例。
 
圖15.添加了發射極負反饋,VIN和VCE。
 
圖16.添加了發射極負反饋,VIN和VBE。
 
提高發射極負反饋放大器的交流增益
添加發射極負反饋電阻提高了靜態工作點的穩定性,但降低了放大器增益。可透過在負反饋電阻RE上添加電容C2,在一定程度上恢復交流訊號的較高增益,如圖17所示。
 
圖17.添加C2可提高交流增益。
 
硬體設置
波形產生器輸出W1配置為1 kHz正弦波,峰對峰值幅度為3 V,偏移為0 V。並將其設連接在示波器通道1+上,以顯示產生器輸出的訊號W1。示波器通道2 (2+)用於交替測量Q1基極和集電極的波形。
 
程式步驟
打開連接到BJT電晶體集電極(VP = 5 V)的電源。
配置示波器以捕獲多個週期的輸入訊號和輸出訊號。
圖19和圖20是使用LTspice® 得到的模擬電路波形圖示例。
 
圖18.添加C2之後的麵包板連接,用於提高交流增益。
圖19.添加C2可提高交流增益VIN和VCE。
 
圖20.添加C2可提高交流增益VIN和VBE。
 
問題
► 對於共發射極放大器電路設定,增加RL會對電壓增益A產生什麼影響?
 
您可以在學子專區部落格上找到相關的問題答案。
 

 

電子郵件:look@compotechasia.com

聯繫電話:886-2-27201789       分機請撥:11