當前位置: 主頁 > 技術&應用 >
 

為什麼信號隔離在48V HEV/EV系統中十分重要

本文作者:德州儀器       點擊: 2020-05-15 16:26
前言:

傳統內燃機車輛與混合電動車輛(HEV)或電動車輛(EV)之間的一個主要區別之一是存在多節電池和電壓等級。內燃機由單個12V或24V電池(通常是鉛酸電池)運行。但是,HEV和EV使用的二次高壓電池的範圍從48V(HEV)到更高的電壓400V至800V(EV)。

多電壓電平的存在需要隔離來保護低壓電路免受高壓影響。顯然,對於400V及以上的電池,您需要隔離,但在48V輕度混合系統中是否需要隔離?讓我們來分析一下。

48V HEV中的隔離
即使電壓不高達400V或800V,隔離對於48V混合動力汽車來說也很重要,究其原因有很多種,其中包括增強的抗抗噪性能和故障保護。
 
圖1所示為一個起動發電機系統,其中包括H橋和場效應電晶體(FET)的功率級處在48V側。這些FET的開關會引起電壓瞬變(dv/dt),這可能會在48V接地端產生一些共模雜訊。沒有任何隔離的情況下,該雜訊將與12V端側耦合,並影響低壓側電路的信號完整性。通過在兩側之間增加隔離,如圖1所示,您可提高共模瞬變抗擾度和信號完整性。 
圖1:48 V HEV中的啟動器/發電機子系統

在圖2中,電池管理系統(BMS)中的48 V電池組和微控制器(MCU)位於高電壓側,而MCU使用控制器局域網(CAN)協定與電子控制單元進行通信。如果48 V側出現故障,則電壓可能會出現在12 V側。低電壓側的電路元件(本例中為CAN收發器)可能無法承受高電壓,且可能會損壞。在低壓側的CAN收發器與高壓側的微控制器之間使用隔離器將確保低壓電路的安全性,即使在高壓側有故障發生

德國汽車工業協會 320(VDA320)標準指定了汽車電氣和電子部件的故障電流測試(E48-20),其中測試電壓應用於48V/12V隔離層,12V 和 48V 系統之間的預期電流必須小於 1 微安。配備隔離器可確保電流符合這一標準。
 
Figure 2: 48-V BMS block diagram
圖2:48V BMS框圖

如果您正在設計48V HEV系統,並正在尋找與48V側介面的隔離器件。基於介面標準,有一些選件可用於48V側和12V側之間的通信。

對於需要在12V和48V側之間進行串列週邊設備介面(SPI)、通用非同步接收器發送器(UART)或通用輸入/輸出(GPIO)通信的設計,您可以使用數位隔離器,例如ISO7741-Q1 或ISO7721-Q1,具體取決於所需的隔離通道數。

當您下正在使用I2C通信來節省信號跡線數時,隔離式I2C器件,例如ISO1540-Q1(雙向資料,雙向時鐘)ISO1541-Q1 (雙向資料,雙向時鐘)可滿足此用途。

如果兩側之間存在CAN通信並且需要隔離時,您可以添加一個數位隔離器(例如ISO7721-Q1)與CAN收發器串聯,或者使用集成的隔離式CAN器件(例如ISO1042-Q1)來節省空間。

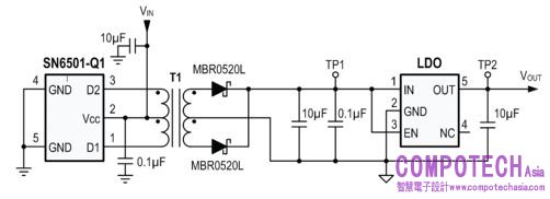
資料通信只是解決方案的一部分。您還必須隔離兩側之間的電源,您可以使用反激式、反降壓或推挽拓撲實現這一隔離。對於局部電源(例如,隔離式CAN收發器的電源),可以考慮可與外部變壓器、整流器和低壓降穩壓器一起使用的變壓器驅動器,例如SN6501-Q1、SN6505A-Q1或SN6505B-Q1,以生成簡單的隔離式電源,如圖3所示。
 
圖3:具有穩定輸出的隔離式電源的簡易電路

SN6501-Q1、SN6505A-Q1或SN6505B-Q1之間的主要區別在於每個驅動器的輸出電流、是否存在可減少輻射的擴頻和不同的開關頻率。這些選項使您能夠選擇正確的器件,以滿足系統的輻射標準和電源要求。

儘管我已經在48 V HEV的背景下討論了這些解決方案,但這些器件系列的隔離規格和更廣泛的封裝選項使這些系列也適用於電池電壓更高的EV。可以在對 EV 設計進行少量修改的情況下重複使用HEV子系統的隔離部分,從而節省設計和佈局時間。
 
其他資源
瞭解有關48V汽車系統的更多資訊。

請參閱以下應用指南:
“在不影響性能或空間的情況下隔離您的CAN系統。”
“如何在隔離CAN系統中隔離信號和電源。”
請參閱技術文章:“在隔離的 CAN 系統中減少排放並提高抗擾性。”
請參閱參考設計:“基於40V隔離比較器的電源參考設計”。
 

 

電子郵件:look@compotechasia.com

聯繫電話:886-2-27201789       分機請撥:11