當前位置: 主頁 > 技術&應用 >
 

下一代電池監控器:如何在提高精度和延長執行時間的同時提高電池的安全性

本文作者:Terry Sculley       點擊: 2020-02-27 18:05
前言:

近年來,諸如吸塵器、電動工具(如鑽頭、鋸子和螺絲刀)和園藝工具(如割草機、修邊機和草坪拖拉機)等消費品已從依靠繩索和牆壁供電轉變為無繩設備和充電電池供電。即使是以前沒有動力的自行車,現在也在向電池驅動的電動自行車和電動摩托車轉變。

這些電池組通常由單塊鋰離子電池、鋰聚合物電池或磷酸鋰電池構成,如果使用不當可能會造成危險,從而導致火災或爆炸。為確保電池的安全使用,電池組內的電子器件對電池進行監控,使電池僅在電池製造商規定的條件下運行。這些條件通常包括:
• 最大允許充電電壓。
• 最大充放電電流。
• 規定的充放電溫度範圍。

因此,測量電池組內的關鍵參數至關重要,尤其是電池組內電池電壓、電流和溫度,因為這些參數超過極限值時,將會觸發適當的保護措施。

測量資料必須準確,以便設計人員決定在設計中包含多少裕度。例如,如果電池規格將全充電電壓限制為4.3V,但測量資料的精度為±50 mV,則設計人員必須將系統組態為在測量顯示電壓高於4.25V時禁用充電。但是,由於實際電池電壓可能低至4.2V,在這種情況下,充電會在電池充滿電之前停止,從而導致應用容量的浪費和電池壽命縮短。

BQ76942和BQ76952等電池組的高精度電池監視器和保護器專為使用鋰離子、鋰聚合物或磷酸鋰電池的應用設計。這些設備支援從3s到10s(BQ76942)和16s(BQ76952)的串聯電池組,可以測量電池電壓、電流和溫度,並可以與其他電路共用資料,例如電池組中的獨立微控制器或電動自行車中的系統控制器。BQ76942和BQ76952還可以使用資料自動觸發電池保護,禁用電池組以避免超出製造商規範運行,並在條件允許時重新啟用電池組,無論是否與主機或系統微控制器交互。

圖 1展示了BQ76952的框圖,其集成了:
 測量和檢測子系統,用於監測電壓、電流和溫度,以便在參數超過允許閾值時進行檢測。
 驅動外部保護FET和化學熔絲的執行器。
 一個數位主機介面子系統,除了用於選擇功能的引腳控制項外,還支援多個串列通信標準。
 多個電壓調節器,一個用於內部電路,兩個供外部使用。
 
圖1:BQ76952框圖

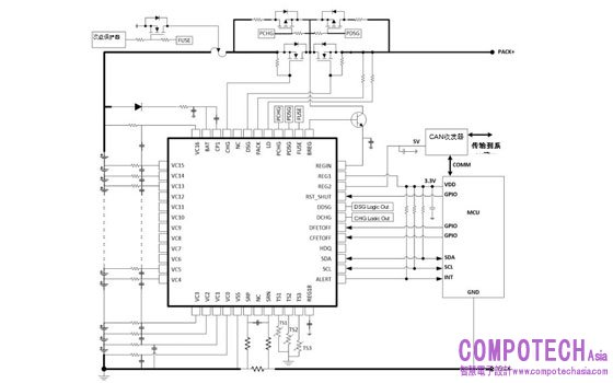
圖2顯示了基於BQ76952的16s電池組的簡化原理圖,使用I2C與主微控制器通信。集成調節器為微控制器和可選的外部收發器提供電源軌。
 
圖2:基於BQ76952的16s系統簡化原理圖

BQ76942和BQ76952中的測量子系統將電池組內的各種電壓、電流和溫度數位化。由於每個測量都有特定的要求,因而這些測量是以不同的方式獲得的。例如,溫度變化緩慢,因此可以緩慢地進行測量和計算。然而,電池組電流可能有短脈衝活動,如果不連續採樣,可能會遺漏。

處理電壓和庫侖計數器ADC生成的值,以提供測量資料,這些資料在設備內使用,並可供電池組內的單獨處理器、電動工具或電動自行車中的系統控制器訪問。這些資料包括:
 單塊電池的差分電壓和選擇額外的系統電壓。
 電池組電流和通過的電荷(庫侖計數)。
 內部裸片和9個外部熱敏電阻溫度讀數。

支援外部熱敏電阻測量的引腳也可用於通用ADC輸入,支援不超過~1.8V的輸入電壓。電壓ADC在測量回路上工作,且輸入在多個輸入之間定期多工。BQ76942和BQ76952的測量子系統包括多個可程式設計選項,可以在測量速度和精度之間進行優化和權衡。

隨著電池供電的消費品越來越流行,確保它們在安全電壓、電流和溫度範圍內運行至關重要。具有集成功能的電池監視器可以幫助設計工程師在提高精度的同時解決這三個關鍵問題。有關使用TI電池監視器進行設計的更多資訊,請查看下面的其他資源。

其他資源
• 查看BQ76942和BQ76952的評估模組。
• 閱讀此技術文章,“保護器、監視器或儀錶-為鋰離子供電系統選擇適當的電池電子器件。”

 

電子郵件:look@compotechasia.com

聯繫電話:886-2-27201789       分機請撥:11