當前位置: 主頁 > 技術&應用 >
 

基於常見降壓轉換器的雙極性、單路輸出、可調節電源

本文作者:Victor Khasiev       點擊: 2019-07-23 09:12
前言:
簡介
台式電源(PS)往往具有偶數個埠(忽略主機殼埠):一個正埠和一個負埠。使用台式電源產生正極性輸出很容易:亦即將負輸出設定為GND,將正輸出電壓設定為正輸出。產生負電源也是同樣容易,只需將上述設定反轉。但是,如何生產雙極性電源,負載可以同時使用正電壓和負電壓?相對而言,這也很簡單——只需將一個實驗室通道的正埠連接到另一個通道的負埠,並稱其為GND。另外兩個埠(正和負)分別就是正負電源。結果得到一個三埠雙極性電源,提供GND、正和負電壓位準。由於使用了三個埠,因此在電源下游的正電源和負電源之間必須進行某種切換。
 
如果應用要求同一電源埠為正或負(僅向負載提供兩個埠的設定),這時該怎麼辦?這不是一個純學術問題。在汽車和工業環境中,有些應用需要雙極性、可調節的雙埠電源。例如,從具異國風情的玻璃貼膜到測試測量設備,這些應用會使用雙埠雙極性電源。
 
如前所述,傳統雙極性電源使用三個輸出埠產生兩路輸出:正、負和GND。相較之下,單路輸出電源應僅配備兩個輸出埠:一個GND和另一個可以為正也可以為負的輸出埠。在此類應用中,輸出電壓可以透過單個控制訊號在從最小負值到最大正值的全部範圍內相對於GND調節。
 
有些控制器專門用於實現雙極性電源功能,例如雙極性輸出同步控制器LT8714。然而,對於許多汽車和工業製造商而言,對專用IC進行測試和認證需要一些時間和金錢上的投入。相較之下,許多製造商已經擁有預認證的降壓轉換器和控制器,因為無數汽車和工業應用中都會用到這些元件。本文介紹了在不能選擇專用雙極性電源IC時,如何運用降壓轉換器產生雙極性電源。
 
電路描述及功能
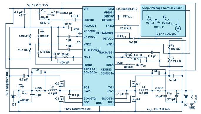
圖1顯示了基於降壓轉換器的雙極性(二象限)可調電源解決方案。輸入電壓範圍為12 V至15 V;輸出為±10 V範圍內的任何電壓,由控制模塊調節,可支援高達6 A的負載。雙路輸出降壓控制器IC是此設計的核心元件。每個降壓-升壓拓撲連接的一路輸出產生穩定的-12 V電壓(即圖1中的-12 V負軌,其功率鏈路包括L2、Q2、Q3和輸出濾波器CO2)。
 
-12 V電壓軌用作第二通道的接地,控制器的接地針腳也連接到-12 V電壓軌。若總括來說,這是一個降壓轉換器,其輸入電壓為-12 V和VIN之間的差值。輸出可調,相對於GND可正可負。請注意,相對於-12 V電壓軌,輸出始終為正,其功率鏈路包括L1、Q1、Q4和CO1。回饋電阻分壓器RB-RA設定最大輸出電壓。該分壓器的值由輸出電壓控制電路調節,此電路可透過向RA注入電流來將輸出調節至最小輸出電壓(負輸出)。應用啟動特性由RUN和TRACK/SS 針腳的端接電阻設定。
 
兩路輸出均在強制連續導通模式下工作。在輸出控制電路中,0μA至200μA電流源ICTRL在實驗室測試時連接到負軌,但也可以GND為基準。低通濾波器RF1-CF可降低快速輸出瞬變。為了縮減轉換器的成本和尺寸,使用相對便宜的極化電容形成輸出濾波器。可選二極體D1和D2用於防止這些電容上產生反向電壓,尤其是在啟動時。如果僅使用陶瓷電容,則不需要二極體。
 
轉換器測試和評估
本解決方案基於LTC3892和評估套件DC1998A與DC2493A進行測試和評估。該轉換器在眾多測試中表現良好,包括電壓和負載調整、瞬變響應以及輸出短路。圖2顯示了啟動至6 A負載、輸出為+10 V的情況。控制電流和輸出電壓之間的函數線性度如圖3所示。隨著控制電流從0μA增加到200μA,輸出電壓從+10 V降至-10 V。圖4顯示了效率曲線。
 
請瀏覽analogdialogue.com

圖1.兩端子、雙極性、可調節電源的電氣原理圖
 

圖2.進入電阻負載的啟動波形
 

圖3.VOUT與控制電流ICTRL的關係。當ICTRL從0 A增加到200μA時,輸出電壓從+10 V降至-10 V。

圖4.正負輸出的效率曲線
 
我們開發了該雙極性、雙端子電源的LTspice®模型,以簡化該方法的採用,允許設計人員分析和模擬上述電路,引入變化,查看波形,以及研究元件應力。
 
描述此拓撲的基本公式和運算式
這種方法基於設計的降壓-升壓部分產生的負電壓軌VNEG。
VNEG = VOUT + VOUT × Km (1)
其中,VOUT為最大輸出電壓的絕對值,Km為0.1到0.3的係數。Km限制降壓轉換器的最小工作週期。VNEG還設定VIN的最小值:
VIN ≥ |VNEG| (2)
VBUCK = |VNEG| + VIN
其中VBUCK為降壓部分的輸入電壓,因而表示轉換器半導體元件上的最大電壓應力:
VBUCK(MAX) = |VNEG| + VOUT (3)
VBUCK(MIN) = |VNEG| – VOUT
VBUCK(MAX)和VBUCK(MIN)分別為該拓撲的降壓部分的最大和最小電壓。降壓部分的最大和最小工作週期以及電感電流可用以下運算式描述,其中IOUT為輸出電流:
DBUCK(MAX) = VBUCK(MAX) /VBUCK (4)
DBUCK(MIN) = VBUCK(MIN) /VBUCK
LBB = IOUT + Δ/1
電源降壓-升壓部分的工作週期:
DBB = |VNEG|/(VIN + |VNEG|) (5)
降壓部分的輸入功率以及相應的降壓-升壓輸出功率:
POUT(BB) = (VOUT × IOUT)/η (6)
轉換器功率和輸入電流:
IOUT(BB) = POUT(BB)/|VNEG| (7)
IL(BB) = IOUT(BB)/(1 – DBB) + Δ/2
輸出電壓變化是透過將電流注入降壓部分的回饋電阻分壓器來實現的。圖1的輸出電壓控制電路部分顯示了如何設定輸出電壓控制。
如果給定RB,那麼
PBB = POUT(BB)/η (8)
IBB = PBB/VIN
其中VFB為回饋針腳電壓。
當電流源ICTRL將零電流注入RA時,降壓轉換器的輸出電壓是相對於負軌的最大正值(VBUCK(MAX))和相對於GND的最大輸出電壓(+VOUT)。為了給負載產生負輸出電壓(相對於GND),須將ΔI注入降壓分壓器的電阻RA,使輸出電壓降至相對於負輸出電壓(-VOUT)的最小值VBUCK(MIN)。
 
數值示例
透過使用前面的公式,我們可以計算出: 包含雙極性電源的電壓應力、流過功率鏈路元件的電流,以及控制電路的參數。例如,以下計算是針對一個從14 V輸入電壓產生6 A、±10 V輸出的電源。

如果Km為0.2,則VNEG = -12 V。驗證最小輸入電壓VIN ≥ | VNEG |的條件。半導體元件VBUCK上的電壓應力為26 V。

降壓部分的最大電壓為VBUCK(MAX) = 22 V,相對於負電壓軌;輸出電壓設定為+10 V,相對於GND。最小電壓VBUCK(MIN) = 2 V,對應於-10 V(相對於GND)的輸出電壓。這些最大和最小電壓對應於最大和最小工作週期,DBUCK(MAX) = 0.846,DBUCK(MIN) = 0.077,DBB = 0.462。

功率可透過假設效率為90%來計算,產生POUT(BB) = 66.67 W,IOUT(BB) = 5.56 A,IL(BB) = 10.37 A,PBB = 74.074 W。

對於+10 V的輸出電壓(根據圖1),控制電路電流ΔI為0μA,而對於-10 V的輸出電壓,ΔI = 200μA。
 
結論
本文介紹了一種雙極性、雙端子電源設計。此處討論的方法基於降壓轉換器拓撲結構,它是現代電源電子的主力技術,因此能以各種形式提供,從帶外部元件的簡單控制器到完整模組,可謂應有盡有。採用降壓拓撲結構可以賦予設計人員靈活性,並且可以選擇使用預認證元件,從而節省時間和成本。
 

電子郵件:look@compotechasia.com

聯繫電話:886-2-27201789       分機請撥:11