摘要
現代產品法規要求更低的待機功耗和更高的效率。滿足這些要求的策略可能是使用複雜的電源時序控制關閉部分電源系統以提高輕載效率。此外,關閉如PFC等電源系統的部分需要將下游功率轉換器設計用於寬輸入電壓範圍。UCC28056架構和高載模式等功能使設計能夠滿足這些現代電源要求,使PFC級在所有電源模式下保持開啟狀態。
商標
所有商標均為其各自所有者的財產。
1 前言
隨著產品法規持續要求在這些關鍵領域提高性能,效率和待機功耗已成為離線應用中關注的重點。這種關注需要採用複雜的功率策略以滿足這些要求,例如在低功耗模式下關閉PFC。這種策略雖然有效,但極大地增加了系統設計的複雜性,也增加了PFC下游的DC/DC轉換器設計的負擔,使其無法處理更寬的輸入電壓範圍。UCC28056器件專為解決此問題而設計,可在整個負載範圍內保持高效率,使設計人員即使在低功率模式下也能保持PFC開啟狀態。本應用指南介紹了使用UCC28056優化過渡模式PFC設計以提高效率和待機功耗的設計決策。
2 功耗標準
表1和表2總結了美國能源部(DOE)VI級對銘牌輸出功率為50 mW及以上的應用的功耗要求。
|
DOE VI級(50 W至249 W)
|
|
待機功耗
|
< 210 mW
|
|
在以下範圍規範效率性能:
|
25%、50%、75%、100%負載
|
|
最低4點效率平均值
|
88%
|
表2.DOE VI級(>250 W)
|
DOE VI級(>25 W)
|
|
待機功耗
|
< 210 mW
|
|
在以下範圍規範效率性能:
|
25%、50%、75%、100%負載
|
|
最低4點效率平均值
|
88%
|
表3總結了《歐盟行為準則》(CoC)II級對銘牌輸出功率為50 W至250 W的應用的功耗要求。在撰寫本文時,未獲知銘牌輸出功率大於250 W的要求。
表3.CoC II級功耗要求
|
CoC II級(50 W至249 W)
|
|
待機功耗
|
< 150 mW
|
|
在以下範圍規範效率性能:
|
10%、25%、50%、75%、100%負載
|
|
最低4點效率平均值
|
89%
|
應該注意的是,CoC II級考慮了10%負載下的輕載效率點,該負載下的效率通常因靜態損耗和較低的輸出功率而受到影響。在10%負載下效率較低,因此在其他四個調節效率點上需要更高的效率以滿足最小平均效率。
3 優化效率和待機功耗
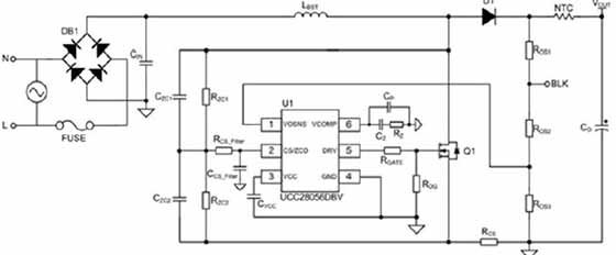
為了說明優化待機功耗和效率的方法,請考慮以下85 VAC至265 VAC,165 W設計,如圖1所示。

圖1.UCC28056設計示例
4 高載模式運行
UCC28056實現了高載模式功能,進一步改善了輕載效率和待機功耗。此外,在進入高載模式後,導通時間脈衝寬度在前4個開關週期內斜坡上升。此外,在退出高載模式之前,導通時間脈衝寬度在最後4個開關週期內斜坡下降。這種軟導通和軟關斷策略在進入高載模式後在前4個週期內增加線路電流,並在最後4個週期內降低線電流。此功能可在輕載條件下限制可聽雜訊和對EMI濾波器的干擾。
進入和退出高載模式通過應用於COMP引腳電壓的兩個比較器閾值實現。兩個比較器閾值的平均電壓約為VCOMP_Max的11%,這意味著在每個突發週期期間傳遞的功率約為最大輸出功率的11%。
在突發開啟期間,PFC級的效率大約等於PFC轉換器在11%負載下的效率。在突發關閉期間,UCC28056的電流消耗降至125μA。在沒有轉換動作發生的突發關閉期間的功率損耗主要由PFC級內的靜態功率損耗決定。等式1提供了待機功耗性能的近似值
(1)
當PFC級上的負載降低到10%以下時,突發期間的頻率也會降低,以保持輕負載的高效率。
5 限制靜態損耗
電路內器件的靜態損耗會提高待機功耗。例如橋式整流器、升壓二極體和MOSFET中的傳導損耗,本節為選擇合適的值以降低PFC級中的功率損耗提供了指導。
5.1 分壓器
VOSNS引腳連接到內部跨導放大器的反相輸入,用於通過電阻分壓器設置PFC級輸出調節點。由於典型的PFC輸出電壓約為400 V,因此回饋分壓器中的靜態功率損耗可能很大,並且是導致高待機功耗的主要原因之一。等式2是VOSNS分壓器中的靜態功耗:
(2)
其中VBLK是PFC級的輸出電壓,ROS1是分壓器的頂部電阻,ROS2是分壓器的底部電阻。對於400 V的輸出電壓和1MΩ的總回饋電阻,回饋分壓器的靜態損耗為160 mW。因此,使用盡可能大的回饋電阻是有利的。但是,由於VOSNS偏置電流IOSNSBias的影響,較大的ROS1值會導致調節精度下降。等式3顯示了調節精度與ROS1電阻之間的關係:
(3)
其中IOSBias是VOSNS引腳的偏置電流。最大IOSNSBias電流為100 nA。等式4確保由於IOSNSBias造成的輸出電壓調節降低不到1%:
(4)
1對於390 V的輸出電壓,ROS1的最大值為39MΩ。可以使用等式5計算ROS2的相應值,其中VOSReg是基準電壓,2.5 V:
(5)
如果使用3×10-MΩ電阻作為ROS1,使用100kΩ+93.1kΩ作為ROS2,則VOSNS分壓器的總待機功耗為5 mW。
5.2 UCC28056 + UCC25630x回饋/ BLK分壓器
對於在PFC級下游使用LLC轉換器的AC/DC系統,可以將VOSNS電阻分壓器配置為用作過渡模式升壓PFC級的回饋分壓器和LLC控制器UCC25630x的BLK引腳分壓器,如圖2所示。這種方法通過消除整個AC/DC系統解決方案中的額外高壓分壓器,大大降低了靜態功耗。
圖2.UCC28056和UCC25630x的結合高壓分壓器
為了適應UCC28056和UCC25630x的不同電阻分壓比,需要兩個電阻抽頭。將PFC儲能電壓設置為390 V時,VOSNS分壓比KOS等於156,如等式6所示。KBLK由LLC預期打開時的最小PFC儲能電壓決定。當儲能導通閾值為3.05 V,所需的導通閾值為340 V時,BLK分壓比KBLK等於111.5,如等式7所示:
在本例中,選擇上分壓電阻ROS11,由3個串聯的3.24 MΩ,1206 SMT電阻組成,如等式8所示:
(8)
同時求解等式6和等式7,得到等式9:
(9)
然後使用以下等式找到相應的ROS2:
(10)
這兩個電阻可以使用標準電阻值實現,如等式11和等式12所示:
(11)
(12)
該組合電阻分壓器的總功耗為15.5 mW。
5.3 ZCD/CS分壓器
在突發關閉條件下,ZCD/CS分壓器的功耗最高。在這種狀態下,漏極電壓近似於等於線路電壓峰值的DC電壓。ZCD/CS分壓器的峰值功耗如等式13所示:
(13)
其中RZC1是ZCD/CS分壓器頂部電阻的電阻,RZC2是ZCD/CS分壓器底部電阻的電阻。與VOSNS分壓器非常相似,可以通過ZCD引腳檢測精度的小幅折衷增加RZC1和RZC2的電阻。等式14將ZCD偏置電流引起的精度下降限制在1%以下:
(14)
分壓器鏈中的上部電阻RZC1必須在浪湧測試下承受峰值輸出電壓。對於耐用的解決方案,此位置的電阻應具有高於升壓MOSFET雪崩額定值的額定電壓。3個1206 SMT,3.24MΩ的串聯鏈滿足精度要求,並提供高於600 V的耐壓能力。使用等式15和等式16確定RZC1和RZC2的適當值:
(15)
(16)
最大輸入電壓為265 Vrms時,半個週期內的峰值功耗為14.41 mW。
5.4 X電容選擇
X電容器是EMI濾波器的關鍵元件,並且逐線連接以抑制EMI雜訊。當電容器充電和放電時,在電容器的等效串聯電阻上消耗會功率,如等式17所示:
(17)
流過電容器的均方根電容器電流取決於線路均方根電壓、線路頻率和X電容器配置中的總電容。忽略寄生電感,x電容帶給線路的阻抗可以如等式18所示計算:
(18)
可以使用等式19計算X電容的功率損耗:
(19)
對於並聯最大線路電壓265 Vrms和0.33μF,每個的損耗因數為0.00022,X電容消耗的功率為6.4 mW。
5.5 有源X電容放電
某些應用需要一種方法將EMI濾波器中使用的線間電容器在指定時間內放電到合理電壓。這是為了確保AC插頭上的高壓不會無限期地保留。有幾種控制放電時間的標準,如IEC60950、IEC60065和IEC62368,總結在表4中。
表4.X電容器放電標準4
|
標準
|
從AC拔出的放電時間常數(秒)
|
|
IEC60950
|
1s
|
|
IEC60065
|
1s
|
|
IEC62368
|
2s
|
一種流行的做法是將泄放電阻與X電容器並聯放置。一般準則是每100 nF的電容需要並聯添加10MΩ的最大泄放電阻。對於330 nF的X電容,需要至少3.3MΩ的泄放電阻。
雖然這是一種經濟有效的方法,但它會導致系統中額外的靜態功率損耗,增加待機功耗。對於85 VAC至265 VAC的輸入電壓範圍,3.3MΩ泄放電阻分壓器的功率損耗為21.2 mW。更有效的方法是使用有源X電容放電功能,該功能僅在檢測到AC斷開時才啟用。對於使用下游LLC級的AC/DC系統,此功能集成在UCC256301和UCC256304諧振控制器中。UCC256301和UCC256304能夠通過高壓引腳檢測AC線路,當檢測到AC斷開事件時,放電X電容。在穩定狀態下,HV引腳的最大漏電流為7.55μA。每隔720 ms,UCC25630x轉換器將一個測試電流階梯應用於線路,檢查過零以確定AC拔插事件。假設施加到HV引腳的電壓是等於AC線電壓的整流正弦波,則可以使用等式20計算最壞情況下的功耗:
(20)
5.6 橋式整流器
橋式整流器中的功率損耗是導通期間的正向電壓和每個二極體的寄生電阻的結果。每個二極體的總功率損耗用等式21表示:
(21)
最壞情況下的功率損耗發生在最小線電壓和最大負載時。對於2.1 A的峰值輸入電流、1 V的正向電壓和80mΩ的寄生電阻,可以使用等式22計算每個二極體的總功率損耗:
(22)
橋式整流器的總損耗如等式23所示:
(23)
二極體的正向電壓取決於溫度,其中正向電壓隨著二極體的結溫度的增加而降低。因此,在橋式整流器中,可以對結溫升高和導通損耗降低進行權衡。
5.7 MOSFET選擇
升壓開關元件中的總功率損耗可以通過由開關的導通電阻引起的導通損耗和驅動MOSFET的柵極的開關損耗來描述。可以用等式24計算導通損耗:
(24)
其中,IMOS_RMS是MOSFET的均方根電流,RDS_on是MOSFET的導通電阻,Cotemp是與導通電阻相關的溫度係數。開關中的最大電流出現在滿載和最小輸入電壓時:
(25)
導通電阻隨著MOSFET結溫的增加而增加,在傳導損耗等式中由Cotemp表示。在工作期間降低MOSFET的溫升可以降低傳導損耗。MOSFET中的開關損耗總結如下:
減少MOSFET的柵極電荷以降低上升和下降轉換時間是有利的。然而,對於600V MOSFET,在這方面的選擇有限。
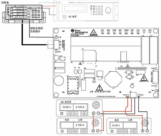
6 待機功耗測量技巧
可以使用等式29計算PFC級消耗的實際功率:
(29)
由於UCC28056的高載模式特性,輸入功率變化通常非常高,並且難以從暫態功率測量進行精確測量。使用具有積分功能的功率計可以讓用戶在設定的時間間隔內積分mWh,然後執行簡單計算以獲得PFC級消耗的平均輸入功率。圖3顯示了UCC28056EVM-296上待機功耗測量的正確連接。
圖3.待機功耗測量連接
6.1 功率表連接和設置
強烈建議將PFC級的輸出與任何測量儀器(如電子負載或電壓表)物理斷開。由於PFC級的輸出是相對較高的電壓,測量儀器吸收的漏電流可能導致10 mW的輕負載,這將人為地增加待機功耗測量值。為了防止AC線電壓測量的功耗使待機功耗結果增加,將電壓測量的正極端子連接到面向AC電源的電源線也很重要。。由於PFC級在待機狀態下吸收的電流非常小,因此線電壓的測量誤差小到可以忽略不計。將電流錶連接到中性線,以避免高頻雜訊和電容耦合增加電流測量讀數。
圖4.AC功率表連接
線電壓和線電流測量的更高精度可降低測量的雜訊基底,並減少測量間隔內積分的誤差量。建議使用盡可能低的電壓範圍。電流範圍必須足夠大,以測量突發期間的峰值線電流。建議使用電流探頭測量峰值線電流,並選擇恰好高於最大測量線電流的電流範圍。
6.2 平均輸入功率計算
在積分模式下,功率表計算PFC級在測量間隔期間消耗的功率量(mWh)。然後可以使用等式30計算平均輸入功率:
(30)
6.3 待機功耗和效率測量
表5總結了PFC設計從85 VAC到265 VAC的待機功耗測量。
表5.待機功耗測量
|
輸入電壓(Vrms)
|
輸入功率(mW)
|
VCC電壓
|
VCC電流(μA)
|
總待機功耗(mW)
|
|
85
|
23
|
12.0074
|
104.034
|
24.249
|
|
115
|
24
|
12.0101
|
107.022
|
25.285
|
|
230
|
39
|
12.0632
|
105.630
|
40.268
|
|
265
|
45
|
12.0630
|
105.902
|
46.272
|
圖5總結了線路和負載的效率性能。
圖 5.效率與輸出功率
7 總結
UCC28056可在整個負載範圍內提供卓越的待機功耗和效率性能,使設計能夠滿足最新的功耗標準。UCC28056的高載模式運行可實現高輕載效率,使設計即使在低功耗模式下也能保持PFC開啟。通過使PFC持續開啟,可實現更窄的輸入電壓範圍,簡化整體系統複雜性以及下游轉換器的設計。
8 參考文獻
1. Texas Instruments, A Design Review of a Full-Featured 350-W Offline Power Converter
2. Texas Instruments, Power Stage DesignerTM User's Guide