當前位置: 主頁 > 技術&應用 >
 

SIMO 開關調節器:延長耳戴式和可穿戴設備的電池壽命

本文作者:Cary Delano       點擊: 2019-04-12 14:30
前言:
耳戴式、可穿戴產品日益成為市場熱點,消費者對這些產品也提出了更高要求,要求它們不但體積小巧,而且電池壽命長。 顯而易見,設備尺寸限制了電池容量。本文介紹如何利用單感應器多輸出(SIMO) 電源轉換器技術節省電路板空間。SIMO架構及其穩壓器的低靜態電流使IC 能夠有效延長空間受限電子產品的電池壽命。
 
本文將幫助您深入理解SIMO 技術及其工作原理,同時您將瞭解到更多關於電源管理IC (PMIC)的知識,這些IC 具有SIMO 調節器,能夠降低功耗和總體元件數量,同時以不到一半的空間提供與傳統方案相同的功能。
在您佩戴耳機長途跋涉或者整個下午都忙於某個大型專案時,您一定不希望被迫停下來對耳機重新充電。您希望耳戴式、可穿戴及其他小尺寸、電池供電設備能夠長時間可靠地工作。
從設計角度看,用戶的期望很高。尺寸限制了Li+ 電池容量,而電池在每次充電後需要保持盡可能長的工作時間;對於電源,則必須滿足子系統各種不同的供電電壓要求。
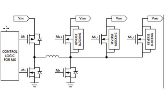
SIMO 架構為這些系統提供了最佳方案,整合了原本要求多個分立元件實現的功能。我們接下來深入瞭解一下什麼是SIMO,及其在升壓/ 降壓調節器中如何工作。
 
 
圖:SIMO 架構方框圖

電子郵件:look@compotechasia.com

聯繫電話:886-2-27201789       分機請撥:11