當前位置: 主頁 > 技術&應用 >
 

雙通道42 V、4 A 單晶同步降壓Silent Switcher 2 穩壓器

本文作者:Hua(Walker) Bai       點擊: 2018-10-10 09:13
前言:

雙通道42 V、4 A 單晶同步降壓Silent Switcher 2 穩壓器

 
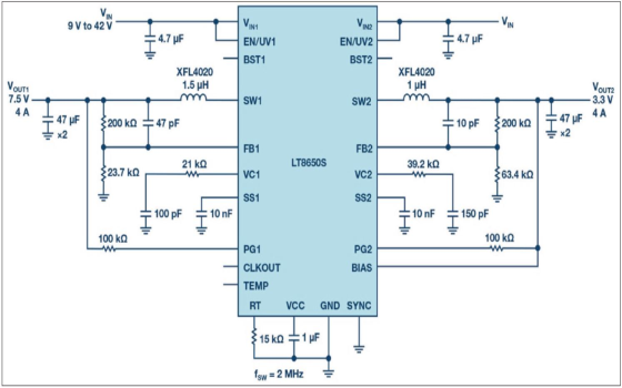
圖:所示為旨在優化暫態響應的一種雙路輸出穩壓器。雖然LT8650S 包括內部補償機制,但仍然採用了外部補償機制,這是為了儘量減少暫態響應時間和輸出電壓偏移。切換開關頻率為2 MHz,因而可以實現更高的迴路頻寬和更快的暫態響應。
 
LT8650S 42 V、雙通道、4A 同步SilentSwitcher 2 穩壓器擁有超寬廣的輸入電壓範圍(3V至42V),是汽車、工業和其他降壓應用的理想選擇。其靜態電流僅有6.2μA,輸出始終保持穩定——這是汽車環境中一個至關重要的特性,因為在汽車環境中,即使汽車未運行,始終保持運作(alwayson)系統也會消耗電池電量。在許多切換開關穩壓器設計中,如果電路板佈局未嚴格遵守佈局標準,電磁干擾有可能成為一大問題。與此不同的是,在Silent Switcher 2 穩壓器的設計中,可以輕鬆達到汽車電磁干擾標準的要求,並且將對於佈局的影響降至最低。
 
LT8650S 整合了兩個同步降壓穩壓器,採用4mm × 6 mm 封裝。可以輕鬆地將兩個輸出端加以並聯,進一步實現高電流,即如圖3中的72 W輸出、24 V 輸入設計。全負載下的效率為95%,電路板的熱性能如圖4 所示。在室溫下運行時,如果不採用主動式散熱機制,IC 最熱部分的溫度達75oC 左右。

 

電子郵件:look@compotechasia.com

聯繫電話:886-2-27201789       分機請撥:11