當前位置: 主頁 > 新聞 >
 

大聯大友尚集團推出基於Diodes產品的130W ACF氮化鎵NB PD電源適配器方案

本文作者:大聯大       點擊: 2022-04-19 11:11
前言:
2022年4月19日--致力於亞太區市場的領先零組件通路商大聯大控股宣佈,其旗下友尚推出基於達爾科技(Diodes)AP3306、APR340與AP43771V等晶片的130W ACF氮化鎵NB PD電源適配器方案。
 
圖示1-大聯大友尚基於Diodes產品的130W ACF氮化鎵NB PD電源適配器方案的展示板圖

手機、平板、筆記本等便攜式電子產品的技術迭代正不斷超乎人們想像,而其中最顛覆的技術之一莫過於快充技術。近幾年受益於功率器件與PD快充協議的發展,大功率適配器方案迎來了快速創新時期,從最初的18W到45W再到65W,每一次功率的攀升,都使快充功能有了顯著提高。而未來在多重技術的驅動下,大功率適配器將在消費類電源領域的佔有主流地位。為了加快各大廠商能夠快速開展大功率適配器的研發,大聯大友尚基於Diodes的產品推出了130W ACF氮化鎵NB PD電源適配器方案,能夠同時為手機、平板、筆記本提供充電需求。

達爾科技(Diodes)成立於1966年,主要從事於分立、邏輯及模擬半導體產品的製造及供應,其產品廣泛應用於工業、通訊以及汽車市場。本方案中所採用的AP3306、APR340與AP43771V晶片均為Diodes高性能產品。
 
圖示2-大聯大友尚基於Diodes產品的130W ACF氮化鎵NB PD電源適配器方案的場景應用圖

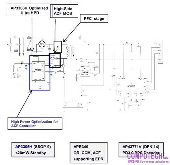
本方案的核心由四個主控制器UCC28056、AP3306、APR340和AP43771V組成。其中,UCC28056B是過渡模式升壓PFC控制器。AP3306是一款高度集成的有源箝位反激(ACF)控制器,主要針對離線電源優化設計,可滿足超低待機功耗、高功率密度和全面保護的需求。APR340是次級側同步整流(SR)控制器,它可用作同步的次級側MOSFET驅動器DCM操作中的整流,為方案有效降低次級側整流器功耗並提供高性能。

AP43771V是一種協議解碼器,負責匹配相關充電器容量和連接的配備C型充電設備(DUC)的請求。它兼容Qualcomm® QC4/4+/QC5協議,支援USB供電規範Rev3.0 V1.2(包括可選的PPS支援),在方案中起到調節充電器的反饋網絡以滿足DUC的電壓和電流要求的作用。
 
圖示3-大聯大友尚基於Diodes產品的130W ACF氮化鎵NB PD電源適配器方案的方塊圖

除此之外,本方案還採用氮化鎵(GaN)FET進一步提升充電效能。通過結合以上器件,可為消費電子適配器提供高性價比與高功率密度的解決方案,使產品在市場競爭中保持獨特的優勢。

核心技術優勢:
高效BOM優化的高功率密度充電器的最佳系統實施
Diodes專利利用ACF拓撲實現提升效率改進方法;
高壓啟動及低待機功耗;
符合DOE VI和COC Tier 2效率要求;
USB Type-C輸出線:支援最大輸出130W PD 3.0功能。

AP3306主要特性
具有回收洩漏能量和零電壓開關功能的有源箝位反激拓撲;
高壓啟動;
用於VCCL引腳的嵌入式VCC LDO以保證寬範圍輸出電壓;
輸出短路時的恆定、低輸出電流;
非可聽噪聲准諧振控制;
啟動過程中的軟啟動;
頻率折返以實現高平均效率;
帶有FOCP的次級繞組短路保護;
用於降低EMI的頻率抖動;
X-CAP放電功能;
有用的引腳故障保護:SENSE 引腳浮動保護/FB/光耦合器開路/短路保護;
全面的系統保護功能:VOVP/OLP/BNO/SOVP/SUVP。

APR340主要特性
同步整流適用於DCM/QR/ACF操作模式;
消除諧振振鈴干擾;
使用最少的外部組件。

AP43771V主要特性
支援USB PD Rev 3.0 V1.2;
USB-IF PD3.0/PPS認證TID 4312;
高通QC5認證:QC20201127203;
用於系統配置的MTP;
主固件的OTP;
工作電壓範圍:3.3V至21V;
用於CV和CC控制的內置調節器;
可編程OVP/UVP/OCP/OTP;
支援省電模式;
用於VBUS供電的外部N-MOSFET控制;
支援e-Marker線纜檢測;
W-DFN3030-14。

方案規格:
Power主要規格
輸入電壓範圍:90Vac ~ 264Vac;
輸入Standby Power:小於100mW;
主要輸出電壓規格:5V/3A,9V/3A,15V/3A,20V/6.5A;
效率:符合CoC version 5 tier-2;
最大輸出功率:130W(20V/6.5A);
保護種類:OCP,OVP,UVP,OLP,OTP,SCP;
Dimensions:PCB size 125mm*55mm*30mm。

如有任何疑問,請登陸【大大通】進行提問,超過七百位技術專家線上即時為您解答。歡迎關注大聯大官方微博(@大聯大)及大聯大微信平臺:(公眾帳號中搜索“大聯大”或微信號wpg_holdings加關注)。

關於大聯大控股:
大聯大控股是全球第一、亞太區最大的半導體零組件通路商*,總部位於台北(TSE:3702),旗下擁有世平、品佳、詮鼎及友尚,員工人數約5,000人,代理產品供應商超250家,全球80個分銷據點,2021年營業額達278.1億美金(自結)。大聯大開創產業控股平台,專注於國際化營運規模與在地化彈性,長期深耕亞太市場,以「產業首選.通路標竿」為願景,全面推行「團隊、誠信、專業、效能」之核心價值觀,連續21年蟬聯「優秀國際品牌分銷商獎」肯定。面臨新製造趨勢,大聯大致力轉型成數據驅動(Data-Driven)企業,建置線上數位平台─「大大網」,並倡導智能物流服務(LaaS, Logistics as a Service)模式,協助客戶共同面對智慧製造的挑戰。大聯大從善念出發、以科技建立信任,期望與產業「拉邦結派」共建大競合之生態系,並以「專注客戶、科技賦能、協同生態、共創時代」十六字心法,積極推動數位轉型。 (*市場排名依Gartner公布數據)
 

 

電子郵件:look@compotechasia.com

聯繫電話:886-2-27201789       分機請撥:11