當前位置: 主頁 > 新聞 >
 

大聯大友尚集團推出基於ON Semiconductor產品的超小尺寸PD快充電源方案

本文作者:大聯大       點擊: 2021-08-11 11:26
前言:
2021年8月11日--致力於亞太區市場的領先零組件通路商大聯大控股宣佈,其旗下友尚推出基於安森美半導體(ON Semiconductor)NCP1342控制器IC的超小尺寸PD快充電源方案。
 
圖示1-大聯大友尚基於ON Semiconductor產品推出的PD快充電源方案的展示板圖

如今這個信息科技時代,智能科技產物已經與人們的生活息息相關,尤其是諸如手機、平板等智能移動電子設備的出現,極大程度的方便了人們的生活。然而雖然電子設備發展日新月異,但其續航能力一直是業內亟待解決的問題。因此,許多廠商在無法通過提升電池容量來解決的情況下,紛紛選擇了採用PD快充的方式來提高充電速度。

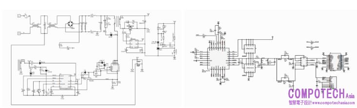
由大聯大友尚基於ON Semiconductor NCP1342控制器IC推出的PD快充電源方案,採用了新型的GaN材料,最大輸出功率為65W。在設計上,本方案採用了雙面板、最簡化的設計理念,外形尺寸僅為51.5mmX51.5mmX31mm,上下兩片1.0mm左右厚銅設計,既滿足EMI又具有良好的導熱性。
 
圖示2-大聯大友尚基於ON Semiconductor推出的PD快充電源方案的場景應用圖

本方案的核心器件是ON Semiconductor NCP1342控制器IC,其具有專有的穀值鎖定電路,可確保穩定的穀值切換。在設計上,NCP1342採用最小峰值電流調製(MPCM)來快速降低開關頻率,以確保針對高頻設計的輕負載性能。不僅如此,NCP1342還內置若干關鍵保護電路,可確保實現堅固耐用的轉換器性能。
 
圖示3-大聯大友尚代理的ON Semiconductor NCP1342 Demo架構圖

核心技術優勢:
51.5mmX51.5mmX31mm超小體積,功率密度:1.26cm³/W;
QR架構,COST成本,外圍簡單性價比高;
93%的高效率,待機功耗小於100MW;
支持SCP、FCP、QC、PD、PPS多協議快充,覆蓋市面上98%以上的筆記本、手機、平板、移動電源、適配器電源。

方案規格:
輸入:110-240V~50/60HZ 1.5A;
USB-C輸出:
PPS:3.3-20V/3A;
PD3.0:5V/3A、9V/3A、12V/3A、15V/3A、20V/3.25A 65W Max。
USB-A口輸出:
APPLE5V2.4A;BC1.2DCP 5V1.5A,MTK PE1.1 PE2.0,MTK 2.0。

如有任何疑問,請登陸【大大通】進行提問,超過七百位技術專家線上即時為您解答。歡迎關注大聯大官方微博(@大聯大)及大聯大微信平臺:(公眾帳號中搜索“大聯大”或微信號wpg_holdings加關注)。

關於大聯大控股:
大聯大控股是全球第一、亞太區最大的半導體零組件通路商*,總部位於台北(TSE:3702),旗下擁有世平、品佳、詮鼎及友尚,員工人數約5,000人,代理產品供應商超250家,全球約100個分銷據點,2020年營業額達206.5億美金。大聯大開創產業控股平台,專注於國際化營運規模與在地化彈性,長期深耕亞太市場,以「產業首選.通路標竿」為願景,全面推行「團隊、誠信、專業、效能」之核心價值觀,連續20年蟬聯「全球分銷商卓越表現獎」肯定。面臨新製造趨勢,大聯大致力轉型成數據驅動(Data-Driven)企業,建置線上數位平台─「大大網」,並倡導智能物流服務(LaaS, Logistics as a Service)模式,協助客戶共同面對智慧製造的挑戰。大聯大從善念出發、以科技建立信任,期望與產業「拉邦結派」共建大競合之生態系,並以「專注客戶、科技賦能、協同生態、共創時代」十六字心法,積極推動數位轉型。 (*市場排名依Gartner公布數據)

 

電子郵件:look@compotechasia.com

聯繫電話:886-2-27201789       分機請撥:11