當前位置: 主頁 > 新聞 >
 

如何利用整合式主動EMI濾波器來降低EMI並縮小電源尺寸

本文作者:Orlando Murray       點擊: 2021-05-19 15:06
前言:
作者:德州儀器Orlando Murray與Tim Hegarty
發展低電磁干擾 (EMI) 應用的設計工程師常會面臨兩個主要挑戰:需減少設計的 EMI,同時要縮小解決方案尺寸。前端被動濾波可減緩切換電源供應器所產生的傳導式 EMI,以確保符合傳導式 EMI 標準,但此方法可能與增加低 EMI 設計功率密度的需求相牴觸,尤其是高切換速度會對整體 EMI 特性造成負面影響。被動式濾波器體積通常較龐大,可占去電源解決方案總體積的 30%。因此,系統設計人員的首要任務仍為縮減 EMI 濾波器體積,同時提升功率密度。

 
主動 EMI 濾波 (AEF) 技術是相對較新的 EMI 濾波方法,其可進行 EMI 衰減並讓設計人員能夠大幅減少被動式濾波器的尺寸與成本,並可提升 EMI 性能。為說明 AEF 在 EMI 性能與空間節省上的主要優勢,此技術文章將針對具整合式 AEF 功能的汽車同步降壓控制器設計進行結果檢視。

EMI 濾波
被動式濾波可透過電感器與電容器在 EMI 電流路徑中建立阻抗不匹配,以減少電力電子電路的傳導式排放。相反的,主動式濾波則可感測輸入匯流排電壓,並產生反相電流與切換階段產生的 EMI 電流抵銷。

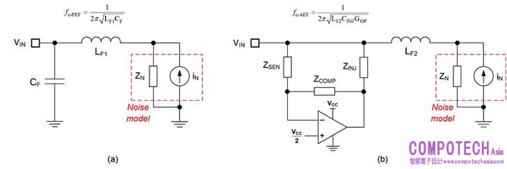
在此內文中,請看看圖 1 中的簡化被動式與主動式濾波器電路,其中 iN 與 ZN 分別代表 DC/DC 穩壓器差模雜訊的電流來源與諾頓等效電路阻抗。
 
圖1:傳統被動式濾波 (a) 與主動式濾波 (b) 電路執行應用方式

圖 1b 中配備電壓感測與電流抵銷 (VSCC) 的主動式 EMI 濾波器將運算放大器 (op-amp) 電路做為電容乘法器使用,以取代被動式設計中的濾波器電容器 (CF)。圖中的主動式濾波器感測、注入與補償阻抗採用相對低的電容值與較小元件體積來設計增益,以 GOP 代表。有效主動式電容由運算放大器電路增益與注入電容器 (CINJ) 設定。

圖 1 包含有效濾波器截斷頻率顯示。有效 GOP 可以較低的電感器及電容器值和與被動式執行方式同等的截止頻率,來進行主動式設計。

提升濾波性能
圖 2 以傳導式 EMI 測試為基礎,比較被動式與主動式 EMI 濾波器設計,使用峰值與平均偵測器來符合 Comité International Spécial des Perturbations Radioélectriques (CISPR) 25 Class 5 標準。每個設計都採用以 LM25149-Q1 同步降壓 DC/DC 控制器為基礎的功率級,從 13.5 V 汽車電池輸入提供 5 V 與 6 A 輸出。切換頻率為 440 kHz。
 
圖2:以同等功率級運作條件比較被動式濾波器解決方案 (a) 與主動式濾波器解決方案 (b)

圖 3 表示啟用與停用 AEF 電路的結果。與未濾波或原始雜訊特性相比,主動式 EMI 濾波器的低頻中頻衰減情況好上許多。440 kHz 下基頻元件的峰值 EMI 等級減少近 50 dB,讓設計人員能夠更輕鬆滿足 EMI 的嚴格要求。
 
圖3:比較 AEF 停用 (a) 與啟用 (b) 時的濾波性能

PCB 空間節省
圖 4 說明產生圖 2 結果的被動式與主動式濾波器級印刷電路板 (PCB) 配置比較。電感器體積從 5 mm x 5 mm 降為 4 mm x 4 mm。此外,以使用電壓而降額定大幅下降的兩個 1210 電容器,改由數個小型且數值穩定的 0402 元件取代,以進行 AEF 感測、注入與補償。此濾波器解決方案可將板上配置減少近 50%,體積更可減少 75% 以上。
 
圖 4:被動式 (a) 與主動式 (b) 濾波器設計的 PCB 配置尺寸

被動元件優點
如前面提到,與被動式濾波器設計中的電感器相比,較低的 AEF 濾波器電感值可減少配置與成本。此外,實際體積較小的電感器的繞組幾何通常寄生繞組電容較低且自我共振頻率較高,因此可提升 CISPR 25 高傳導頻率範圍的濾波性能。30 MHz 至 108 MHz。

部分汽車設計在直接連接電池供應軌時,需將兩個輸入電容器以串聯方式連接,以提供容錯穩固性。因此,主動式電路可節省更多空間,將 0402/0603 感測與注入電容器以串聯方式連接,以取代多個 1210 電容器。小型電容器可簡化元件採購過程,因為元件皆可立即使用且不受供應限制。

結論
在對 EMI 的持續關注下,特別在汽車應用領域,採用電壓感測與電流注入的主動式濾波器可提供低 EMI 特性,進而縮減板上配置與體積,並減少解決方案成本。將 AEF 電路與同步降壓控制器整合,可幫助解決 DC/DC 穩壓器應用中的低 EMI 與高功率密度優缺點取捨。

其它資源
參考技術白皮書:
¡ 「節省時間且具成本效益的電源供應器 EMI 緩解創新技術。」
¡ 「電源供應器傳導式 EMI 規格概要。」
觀看此影片了解主動式 EMI 濾波。
文章中討論到的其他產品:LM25149-Q1。

關於德州儀器(TI)
德州儀器(納斯達克股票代碼:TXN)為位居世界領導地位的全球半導體公司,致力於設計、製造、測試以及銷售類比和嵌入式半導體晶片,為工業、汽車、個人電子、通訊設備和企業系統等市場服務。打造更美好的世界是我們的願景,為此,我們以半導體技術為基礎,致力於創造更輕巧、更高效、更可靠及更具成本效益的產品解決方案,使半導體更加普及地被應用於各式電子產品中。推動半導體技術持續更上一層樓,是我們數十年來始終如一的信念。更多詳情,敬請瀏覽TI.com

 
 

電子郵件:look@compotechasia.com

聯繫電話:886-2-27201789       分機請撥:11