當前位置: 主頁 > 新聞 >
 

大聯大友尚集團推出基於ST產品的全橋相移DC-DC轉換器數位電源方案

本文作者:大聯大       點擊: 2021-05-10 11:21
前言:
2021年5月10日--致力於亞太區市場的領先零組件通路商大聯大控股宣佈,其旗下友尚推出基於意法半導體(ST)STM32G474的500W全橋相移零電壓切換DC-DC轉換器數位電源解決方案。
 
圖示1-大聯大友尚推出基於ST產品的全橋相移DC-DC轉換器數位電源方案的展示板圖(一)

由於現代化電子產品對於工作效率與體積的需求逐漸嚴苛,傳統線性式電源供應器逐漸被切換式電源供應器取代。通過提升切換頻率,切換式電源供應器能夠有效縮小變壓器與電感鐵芯的體積,進而提昇系統效率且同時縮小產品的體積。然而採用一般硬式切換的電源供應器功率晶體管須承受更大的切換突波(Switching Spike)以及切換損失,隨著切換頻率提升,電路整體的效率也會隨之下降。
 
圖示2-大聯大友尚推出基於ST產品的全橋相移DC-DC轉換器數位電源方案的展示板圖(二)

為了解決這一問題,本方案採用了柔性切換技術,以全橋相移式架構達成零電壓切換,能夠極大地減少硬式切換的效率損失,並抑制切換突波,降低電磁干擾,增加功率晶體管的性能。ST STM32G4系列產品基於170MHz的Arm® Cortex®-M4高速內核打造,具有浮點單元和支持DSP擴展指令集,同時搭載了ST的新硬體數學加速器再次提升了晶片的運算性能。
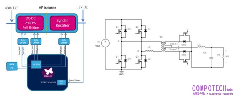
圖示3-大聯大友尚推出基於ST產品的全橋相移DC-DC轉換器數位電源方案方塊圖

STM32G4系列完善了現有的STM32F3系列,其性能達到了STM32F3系列的3倍,最高工作溫度為125°C。同時該系列產品具備強大的穩定性,特別是快速瞬態脈衝(FTB)耐受能力最高達到5。

核心技術優勢:
一個高分辨率定時器,有12個獨立通道,每個通道分辨率為184ps,有溫漂和電壓漂移自補償功能;
多達25個先進模擬外設:
多達5個400萬次/秒12位模數轉換器(ADC),有硬體過採樣功能,可實現16位分辨率;
多達6個高速、高增益帶寬運算放大器,內部1%增益設定;
多達7個1500萬次/秒12位數模轉換器(DAC);
多達7個比較器,傳播延遲為16.7ns。
CAN-FD工業通訊技術,有效載荷比特率是標準CAN的8倍;
運行模式功耗低於165μA/MHz,延長電池續航時間;
容量更大的RAM,高達128KB,有同位功能;
閃存容量高達512KB,有錯誤校驗功能(ECC);
增加DMA和外部中斷的靈活可變性;
為優化數字或模擬功能,分為三大產品系列:基本系列、增強系列和高分辨率系列。

方案規格:
Input Voltage:400V;
Output Voltage:12V;
Output Power:500W;
Maximum Output Current:42A;
Switching Frequency:100KHz。

如有任何疑問,請登陸【大大通】進行提問,超過七百位技術專家線上即時為您解答。歡迎關注大聯大官方微博(@大聯大)及大聯大微信平臺:(公眾帳號中搜索“大聯大”或微信號wpg_holdings加關注)。

關於大聯大控股:
大聯大控股是全球第一、亞太區最大的半導體零組件通路商*,總部位於臺北(TSE:3702),旗下擁有世平、品佳、詮鼎及友尚,員工人數約5,000人,代理產品供應商約300家,全球約100個分銷據點,2020年營業額(*自結數)達206.6億美金。大聯大開創產業控股平台,專注於國際化營運規模與在地化彈性,長期深耕亞太市場,以「產業首選.通路標竿」為願景,全面推行「團隊、誠信、專業、效能」之核心價值觀,連續20年蟬聯「全球分銷商卓越表現獎」肯定。面臨新製造趨勢,大聯大致力轉型成數據驅動(Data-Driven)企業,建置線上數位平台─「大大網」,並倡導智能物流服務(LaaS, Logistics as a Service)模式,協助客戶共同面對智慧製造的挑戰。大聯大從善念出發、以科技建立信任,期望與產業「拉邦結派」共建大競合之生態系,並以「專注客戶、科技賦能、協同生態、共創時代」十六字心法,積極推動數位轉型。(*市場排名依Gartner公布數據)

 

電子郵件:look@compotechasia.com

聯繫電話:886-2-27201789       分機請撥:11