當前位置: 主頁 > 新聞 >
 

如何為48-V 輕度混合動力汽車設計最佳化的馬達驅動器

本文作者:Issac Hsu       點擊: 2021-03-11 11:45
前言:
 製造商在打造輕度混合動力汽車 (MHEV) 時,主要以減少溫室氣體 (GHG) 排放為終極目標。MHEV 採用與汽車傳動系統相連接的 48-V 馬達驅動系統。為減少 GHG 排放,車輛滑行時 MHEV 中的內部燃燒引擎 (ICE) 將會關閉,48-V 馬達系統則會將 48-V 電瓶充電,以提供車輛電力。在此文章中,我將討論如何使用提供高功率馬達驅動的 48-V 馬達驅動器設計,來實現功能安全與精巧尺寸。
 
高功率馬達驅動之考量
傳統 48-V 馬達驅動系統需要 10 kW 至 30 kW 電力供汽車動力系統應用。由於此功率位準的傳統 12-V 電池系統缺乏效率,因此必須採用 48-V 架構來支援高功率馬達驅動。

參考技術白皮書,進一步了解如何解決馬達驅動系統驅動電路的主要設計挑戰:「如何打造精巧且具功能安全的 48-V、30-kW MHEV 馬達驅動系統。」

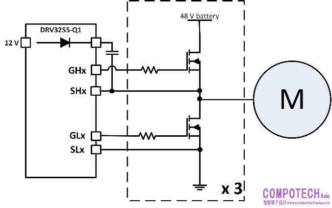
如圖 1 所示,48-V 馬達驅動器會控制外部金屬氧化半導體場效應電晶體 (MOSFET) 以轉動馬達。這些外部 MOSFET 必須支援 600 A 以上電流,以實現 30 kW 的目標。將 MOSFET 的 RDS(on) 降到最低,將能減少散熱與傳導損耗,在某些情況下,在每個通道並聯多個 MOSFET 可幫助熱分佈,如應用說明「使用 DRV3255-Q1 驅動並聯 MOSFET」中所述。MOSFET 的總閘極電荷可高達 1,000 nC。

設計人員也需將切換損耗所造成的功耗最佳化,才能得到符合汽車電磁相容性 (EMC) 規格的總解決方案。DRV3255-Q1 等高閘極電流閘極驅動器可以最高 3.5 A 峰值電流源和 4.5 A 電流汲取驅動高閘極電荷 MOSFET。這麼高的輸出電流可縮短上升和下降時間,即使當閘極電荷為 1,000-nC 亦同。可選式閘極驅動輸出電流等級讓您可進行上升和下降時間微調,在切換損耗與 EMC 性能間取得最佳平衡。 
 
圖 1:最常見的高功率 48-V 馬達驅動器電源架構

即使額定電池電壓為 48 V,供應電壓仍可因運作時的暫態條件而有顯著差異。請參考圖 2 中國際標準化組織 (ISO) 21780 所指定的電壓位準。此外,馬達驅動器針腳必須在 MOSFET 寄生本體二極體的反向復原時間下承受負暫態電壓。
 
圖 2:ISO 21780 中指定的 48-V 系統電壓位準

由於高壓側靴帶式電路針腳可承受 105 V,因此 DRV3255-Q1 可在 90 V 下支援真正持續運作,暫態支援可達 95 V。靴帶式電路高壓側 MOSFET 源極與低壓側 MOSFET 源極的額定值為 –15-V 暫態,可提供高功率馬達驅動器系統所需的強大防護。

48-V 馬達驅動器的功能安全考量
48-V 馬達驅動系統存在產生不必要功率的風險,可能會導致損壞系統的過電壓情況。一般系統反應是關閉所有高壓側或低壓側 MOSFET,將馬達電流再循環並防止繼續產生功率。若發生故障情況,系統必須具有適當機制適當切換功能正常的 MOSFET,以避免造成進一步損壞。執行此類防護通常必須透過外部邏輯元件和比較器。

DRV3255-Q1 中整合主動短路邏輯元件,讓你能夠決定偵測到故障情況時如何進行反應。在反應故障情況時無需停用所有 MOSFET,您可視故障情況配置此邏輯元件,以啟用所有高壓側 MOSFET、啟用所有低壓側 MOSFET,或是動態切換高低壓側 MOSFET。此外,DRV3255-Q1 依照 ISO 26262 功能安全合規性進行設計,並納入診斷與防護功能,可支援高達汽車安全完整性等級 D (ASIL D) 的功能安全馬達驅動器系統執行。

48-V 馬達驅動器的尺寸考量
由於引擎空間有限,因此 48-V 馬達驅動器系統必須具備較小的電路板尺寸。圖 3 說明傳統 48-V 高功率馬達驅動器設計的典型馬達驅動器方塊圖。執行具強大防護的安全馬達驅動器系統時,必須具備鉗位二極體、外部驅動電路、散熱路徑電阻器與二極體、比較器及外部安全邏輯元件。這些外部零組件會增加電路板空間與系統成本。
 
 圖 3:典型 48-V 高功率馬達驅動器方塊圖

整合外部邏輯元件和比較器、可調式高電流閘極驅動器,且無需額外外部零組件即可支援大電壓暫態,都為縮小 DRV3255-Q1 整體電路板尺寸帶來顯著效益,如圖 4 所示。

 
圖 4:DRV3255-Q1 簡化馬達驅動器方塊圖

48-V MHEV 已越來越普及,您是否也在下一款汽車中考慮使用?

其它資源
閱讀技術文章:
o 「破解48V系統的五個迷思。」
o 「48-v 起動發電機系統演進。」
閱讀技術白皮書「於雙電池汽車系統進行 12 V 與 48 V 橋接。」

關於德州儀器(TI)
德州儀器(納斯達克股票代碼:TXN)為位居世界領導地位的全球半導體公司,致力於設計、製造、測試以及銷售類比和嵌入式半導體晶片,為工業、汽車、個人電子、通訊設備和企業系統等市場服務。打造更美好的世界是我們的願景,為此,我們以半導體技術為基礎,致力於創造更輕巧、更高效、更可靠及更具成本效益的產品解決方案,使半導體更加普及地被應用於各式電子產品中。推動半導體技術持續更上一層樓,是我們數十年來始終如一的信念。更多詳情,敬請瀏覽TI.com。
 

電子郵件:look@compotechasia.com

聯繫電話:886-2-27201789       分機請撥:11