當前位置: 主頁 > 新聞 >
 

ROHM 開發車電用 1200V 耐壓 IGBT「RGS 系列」符合AEC-Q101 標準 有助於應用小型化和高效化

本文作者:ROHM       點擊: 2019-05-14 16:06
前言:
<概要>
半導體製造商ROHM(總公司:日本國京都市)新推出四款支援車電產品可靠性標準AEC-Q101※1)的1200V 耐壓IGBT「RGS 系列」產品。該系列產品非常適用於電動壓縮機※2)的逆變器電路和PTC 加熱器※3)的開關電路,而且導通損耗※4)更低,達到業界頂級水準,非常有助於應用的小型化與高效化。另外,加上已經在量產中的650V 產品,該系列共擁有11種機型,產品系列豐富,可滿足客戶多樣化需求。
 


該系列產品已於2019年1月份開始暫以月產100萬個的規模投入量產(樣品價格750日元〜/個,不含稅)。前段製程的製造據點為LAPISSemiconductor Miyazaki Co.,Ltd.(日本宮崎縣),後段製程的製造據點為ROHM Integrated Systems (Thailand)(泰國)。

<背景>
近年來,隨著環保意識提升和燃油價格上漲,電動車的市場需求不斷成長。搭載引擎的傳統車輛,壓縮機的動力來源為引擎,而隨著電動車的增加,壓縮機也日益朝向電動化,而且其市場規模也在不斷擴大。另外,傳統汽車空調暖氣,是利用引擎運行的廢熱;如今以 PTC 加熱器為熱源,使溫水循環達到暖氣系統功能等的需求也在日益增加。由於驅動頻率較低,這些應用的逆變器電路和開關電路中所使用的半導體主要是IGBT,尤其對於電動車來說,壓縮機和加熱器的功耗會影響續航距離,因此需要更高的效率。
 
另一方面,為了延長電動車(EV)的續航距離,電池容量也呈現日益增加的趨勢。特別是在歐洲,採用高電壓(800V)電池的汽車越來越多,這就需要更高耐壓且損耗更低的功率元件。因此,除了650V 耐壓的IGBT 產品外,對1200V 耐壓IGBT 的需求也日益增加。

在這種背景下,ROHM研發出符合車電產品可靠性標準AEC-Q101 的1200V 耐壓產品,與650V 耐壓產品共同構成了豐富的產品系列。RGS 系列實現了業界領先的低導通損耗(Vce(sat.)),非常有助於應用的小型化和高效化。此外,1200V 耐壓產品的短路耐受※5)時間為10μsec(Tj=25℃),即使在要求高可靠性的車電領域中也可安心使用。
 


<特點>
1. 領先業界的低導通損耗
透過元件結構最佳化,在1200V 耐壓等級將導通損耗(VCE(sat.))降至1.70V(typ Tj=25℃),與其他公司同等產品(1200V、40A 產品)相比,導通損耗改善了約10~15%。

尤其是在電動壓縮機和 PTC 加熱器中,由於驅動頻率較低,故對導通損耗的重視程度高於開關特性,RGS 系列的出色表現已經獲得客戶的高度好評。

2. 產品系列豐富,滿足客戶多樣化需求
此次推出的四款1200V 耐壓產品,加上量產中的650V 耐壓產品,共11種機型。產品系列中包括IGBT 單品和內建Freewheeling Diode※6)兩種類型的產品,客戶可根據需求自由選用。

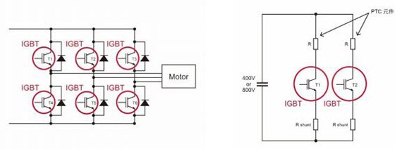
<目標電路範例>
・電動壓縮機 ・PTC 加熱器

<名詞解釋>
※1)車電產品可靠性標準AEC-Q101
AEC 是Automotive Electronics Council 的縮寫,是大型汽車製造商和美國大型電子元件製造商聯手制定的車電元件可靠性標準。Q101 是專門針對離散式半導體元件(電晶體、二極體等)制定的標準。

※2)電動壓縮機
內建馬達的壓縮機。主要運用於油電混合動力車和電動車的空調。

※3)PTC(Positive Temperature Coefficient:正溫度係數)加熱器
電流流過 PTC 元件使之產生熱量。低溫時會流過大電流,產生大量熱量,隨著發熱量的增加,電阻值增大,電流受限,從而抑制發熱量。利用這些特性,可加熱空氣和水,並使之循環,從而成為暖氣用的熱源。

※4)導通損耗
MOSFET 和IGBT 等電晶體因元件結構的緣故,在電流流動時會發生電壓下降。導通損耗是因這種元件的電壓下降而產生的損耗。

※5)短路耐受能力
對於引起元件損壞的短路(用低阻值的電阻連接電子電路的兩點)的耐受能力。

※6)Freewheeling Diode
當電流在線圈中流動時,能量被存儲為磁場,因此即使在開關關斷時也會產生電壓以保持磁場,為了防止這種情況,與開關元件並聯插入的二極體。

電子郵件:look@compotechasia.com

聯繫電話:886-2-27201789       分機請撥:11