當前位置: 主頁 > 新品報到 >
 

東芝針對繼電器驅動器推出新款小型雙通道MOSFET IC

本文作者:東芝       點擊: 2018-02-08 13:28
前言:
內建Zener二極體且通過AEC-Q101認證
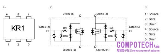
2018年2月6日--東芝電子元件及儲存裝置株式會社今日(2月6日)宣布推出小型雙通道MOSFET SSM6N357R,此款新產品在漏極(Drain)和閘極端子(Gate terminals)之間有內建二極體(Diode)。此IC適用於驅動機械繼電器(Mechanical relays)等電感負載。量產出貨即日啟動。


SSM6N357R整合下拉電阻器(pull-down resistor)、串聯電阻器和穩壓二極體(Zener diode),助於減少零件數量並節省PCB板空間。另外,此IC採用雙通道式封裝(2 in 1),與採用兩個SSM3K357R (2.4 x 2.9 x 0.8 mm)單通道式封裝產品的替代方案相比,其安裝面積減小42%。

SSM6N357R採用業界標準的TSOP6F等級封裝,具備3.0V的低工作電壓並且通過了AEC-Q101認證,適合車用及許多其他應用。
 
應用方面
- 車用繼電器和螺線管控制(Solenoid control)
- 工業應用繼電器和螺線管控制(Solenoid control)
- 辦公設備離合器控制(Clutch control)
 
產品特點
- 可節省PCB空間且減少零件數量(實現下拉電阻器,串聯電阻器和穩壓器二極體的整合)
- 3.0V低工作電壓
- 雙通道式封裝(2 in 1)
- 通過AEC-Q101認證

主要規格

項目

特性

絕對最大額定值

漏源極電壓
VDSS (V)

60

閘源極電壓
VGSS (V)

±12

漏極電流
ID (A)

0.65

電器特性

漏源極導通電組
RDS(ON) max (mΩ)

|VGS|=3.0V

2400

|VGS|=5.0V

1800

閘極總電荷
Qg typ. (nC)

1.5

輸入電容
Ciss typ. (pF)

43

封裝

TSOP6F

2.9mm×2.8mm;
t=0.8mm

   
Equivalent Circuits



台灣東芝電子零組件股份有限公司 (TET) 簡介
台灣東芝電子零組件股份有限公司(Toshiba Electronic Components Taiwan Corporation),負責東芝在台灣、中國大陸、港澳、東南亞和南亞地區等國家的儲存產品及台灣半導體的業務推廣及支援。台灣東芝電子零組件股份有限公司為筆記型電腦代工廠商、企業級伺服器儲存商及通路代理商的最佳合作夥伴,並以提供廠商最好的服務、最尖端的科技及最高品質的產品為宗旨。更多資訊,請參考東芝網站:
http://toshiba.semicon-storage.com/tw/top.html

電子郵件:look@compotechasia.com

聯繫電話:886-2-27201789       分機請撥:11